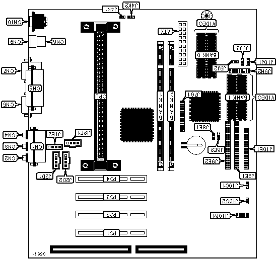
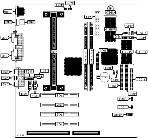
Intel SR440BX (Sun River)
Logs
chipChipset
cpuSocket
speedFSB speeds
60MHz66MHz100MHz
moboForm factor
microATX (max 244 x 244 mm)
dimDimensions
244 mm x 244 mm
ramMax VRAM size
16MB
chipCache
None/Integrated in the CPU
ramMax RAM size
512MB
ramRAM type
SDR UDIMM
pwrPSU connector
connI/O ports
1x 
Floppy interface
1x 
Gameport
2x 
IDE interface
1x 
PS/2 keyboard
1x 
PS/2 mouse
1x 
Parallel
2x 
Serial
2x 
USB 1.x
1x 
VGA
cardExpansion slots
1x 
16-bit ISA
4x 
32-bit PCI
notes Notes

Onboard NVIDIA RIVA TNT w/ 16MB and Sound Blaster AudioPCI 64V. Also used in the Medion P2-400 series

Coppermine > 600MHz supported in P06 BIOS revision ONLY.

Last updated 2025-12-01T12:27:21Z
Board info score is 9.8/10
bios 3 BIOS files available

vendor AMI - 3 entries

POST string
Note
Core Ver.
BIOS Ver.
Logs
POST string
4S4R100A.86A.0017.P10.0004031558
Note
zip
Core version
04/03/00
BIOS version
Logs
POST string
4S4R100A.86A.0017.P10.0004031558
Note
exe
Core version
Intel
BIOS version
Logs
POST string
4S4R100A.86A.0012.P06.9907130928
Note
exe
Core version
07/13/99
BIOS version
Logs
drv 57 drivers available
Name
Version
OS support
Arch
Size
Filename
Name
Version
4.06.1154
OS support
Windows 9x Windows NT 4.0
Arch
Size
20.9MB
Filename
Name
Version
5.12.01.4107
OS support
Windows 2000 Windows 9x
Arch
x86
Size
2.8MB
Filename
Name
Version
3.20.1008
OS support
Windows 2000 Windows 9x Windows XP/2k3
Arch
Size
Empty
Filename
Name
Version
40.72
OS support
Windows 2000 Windows XP/2k3
Arch
x86
Size
12.3MB
Filename
Name
Version
28.32
OS support
Windows 9x
Arch
x86
Size
8MB
Filename
Name
Version
28.32
OS support
Windows NT 4.0
Arch
x86
Size
7.7MB
Filename
Name
Version
28.32
OS support
Windows 9x
Arch
x86
Size
8MB
Filename
Name
Version
28.32
OS support
Windows 2000 Windows XP/2k3
Arch
x86
Size
8.2MB
Filename
Name
Version
3.10
OS support
Windows 3.1x
Arch
x86
Size
659.8KB
Filename
Name
Version
N/A
OS support
Windows 9x
Arch
x86
Size
1.9MB
Filename
Name
Version
3.68
OS support
Windows 9x Windows NT 4.0
Arch
x86
Size
3.8MB
Filename
Name
Version
3.7B / 3.7D
OS support
MS-DOS NetWare Server 3 NetWare Server 4 OS/2 Warp 3.x Windows 3.1x Windows 9x Windows NT 3.5x
Arch
x86
Size
1.6MB
Filename
doc 3 board documents available
Release date
File
Logs
Release date
File
Logs
Release date
File
Logs
Release date
File
Logs

Disclaimer

The info found in this page might not be entirely correct. Check out this guide to learn how you can improve it.