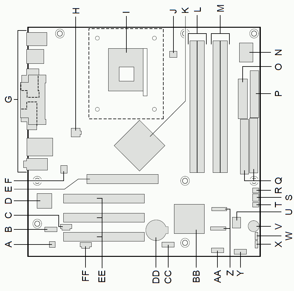
Intel D865GLC (La Crosse)
Logs
chipChipset
cpuSocket
speedFSB speeds
400MHz533MHz800MHz
moboForm factor
microATX (max 244 x 244 mm)
dimDimensions
244mm x 244mm
ramMax VRAM size
128MB
chipCache
None/Integrated in the CPU
ramMax RAM size
4GB(PC3200)
ramRAM type
DDR UDIMM
pwrPSU connector
tag Also known as
connI/O ports
1x 
3.5mm Audio Combo
1x 
Floppy interface
2x 
IDE interface
1x 
PS/2 keyboard
1x 
PS/2 mouse
1x 
Parallel
1x 
RJ-45 LAN
2x 
SATA I
1x 
Serial
8x 
USB 2.0
1x 
VGA
cardExpansion slots
1x 
1.5V AGP
3x 
32-bit PCI
wrench Known issues
  • Faulty or Leaking Electrolytic Capacitors

Some motherboards may contain faulty or leaking electrolytic capacitors, which can negatively impact system performance or stability. These capacitors may exhibit issues such as bulging, leaking, or even exploding, potentially damaging other components on the motherboard. Users should inspect their capacitors regularly and replace any that are faulty or leaking to avoid damage or system instability.

notes Notes

There are Multiple OEM Revisions of this board that are differently populated

Gateway part numbers on most boards are 4000888 & 4000820

Compatible Gateway part numbers: 4000820 4000824 4000887 2519040 2519041 2520284 2520285 2520321 2520476 2520852 2520901 2520914 2521130 2521155 2521362 2521363 2519040 2520285 2520500 2520576 2520852 2520901 2520914 2521155 2521191 510X E-4100 510 Series

Last updated 2025-05-14T15:41:16Z
Board info score is 9.8/10
bios 4 BIOS files available

vendor AMI - 4 entries

POST string
Note
Core Ver.
BIOS Ver.
Logs
POST string
BF86510A.86A.0077.P25.05080400310
Note
Single .bin
Core version
080010
BIOS version
Logs
POST string
BF86510A.86A.0077.P25.05080400310
Note
Core version
080000
BIOS version
Logs
POST string
Note
Core version
080010
BIOS version
Logs
POST string
BF86510A.86A.0046.P10.03092411070
Note
Core version
080000
BIOS version
Logs
drv 7 drivers available
Name
Version
OS support
Arch
Size
Filename
Name
Version
14.17.0.4396
OS support
Windows 2000 Windows XP/2k3
Arch
Size
Empty
Filename
Name
Version
3.40.1001
OS support
Windows 2000 Windows 9x Windows XP/2k3
Arch
x86
Size
2.2MB
Filename
doc 3 board documents available
Release date
File
Logs
Release date
File
Logs
Release date
File
Logs
Release date
File
Logs

Disclaimer

The info found in this page might not be entirely correct. Check out this guide to learn how you can improve it.