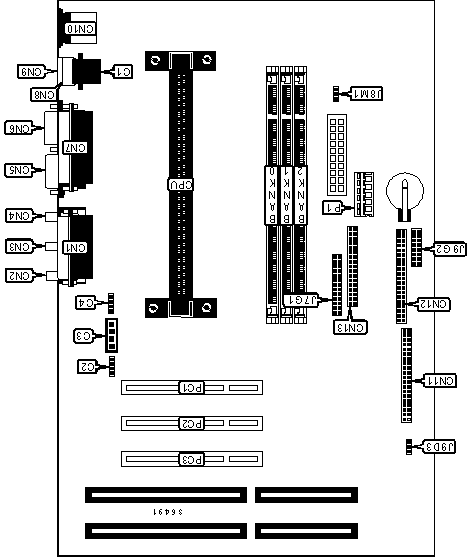
Intel AR440BX (Aruba)
Logs
chipChipset
cpuSocket
speedFSB speeds
66MHz100MHz
moboForm factor
ATX (max 305 x 244 mm)
dimDimensions
305mm x 244mm
ramMax VRAM size
4MB
chipCache
None/Integrated in the CPU
ramMax RAM size
768MB
ramRAM type
SDR UDIMM
pwrPSU connector
tag Also known as
  • Dell Dimension XPS VxxxC
  • Dell Dimension XPS Vxxx
connI/O ports
1x 
Floppy interface
1x 
Gameport
2x 
IDE interface
1x 
PS/2 keyboard
1x 
PS/2 mouse
1x 
Parallel
1x 
RJ-45 LAN
1x 
SB_Link
2x 
Serial
2x 
USB 1.x
cardExpansion slots
2x 
16-bit ISA
3x 
32-bit PCI
notes Notes

OEM only board. Mainly used on the Dell Dimension XPS V series

Last updated 2025-12-01T13:23:56Z
Board info score is 8.8/10
bios 0 BIOS files available

vendor Phoenix - 1 entry

POST string
Note
Core Ver.
BIOS Ver.
Logs
POST string
4A4RB0X0.10A
Note
Dell OEM
Core version
6.0
BIOS version
Logs
drv 9 drivers available
Name
Version
OS support
Arch
Size
Filename
Name
Version
3.20.1008
OS support
Windows 2000 Windows 9x Windows XP/2k3
Arch
Size
Empty
Filename
Name
Version
4.35
OS support
Windows 9x
Arch
x86
Size
1.6MB
Filename
Name
Version
3.7B / 3.7D
OS support
MS-DOS NetWare Server 3 NetWare Server 4 OS/2 Warp 3.x Windows 3.1x Windows 9x Windows NT 3.5x
Arch
x86
Size
1.6MB
Filename
doc 4 board documents available
Release date
File
Logs
Release date
File
Logs
Release date
File
Logs
Release date
File
Logs
Release date
File
Logs

Disclaimer

The info found in this page might not be entirely correct. Check out this guide to learn how you can improve it.