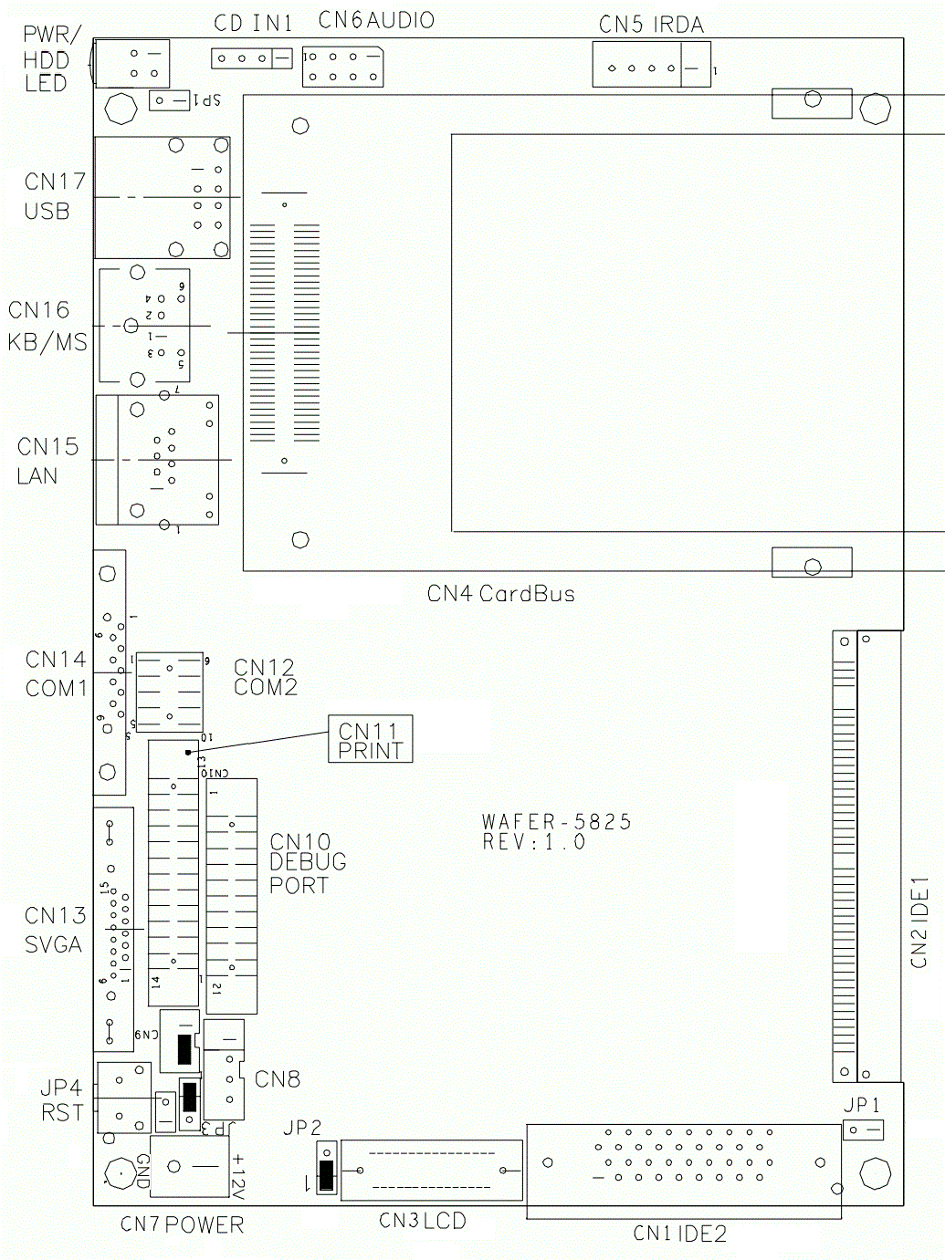
ICP WAFER-5825
33MHz
ECX/Biscuit SBC 3.5" (max 146 x 105 mm)
145 mm x 102 mm
4MB
None/Integrated in the CPU
512MB
144-pin SDR SO-DIMM
1x
CF Card Slot
1x
Floppy interface
2x
IDE interface
1x
IrDA
1x
LVDS
1x
PS/2 mouse
1x
Parallel
1x
RJ-45 LAN
2x
Serial
2x
USB 1.x
1x
VGA
Empty
Last updated 2024-01-17T19:28:17Z
Board info score is 8/10
-> Chipset part
-> Audio
-> Bridge Interface
-> Network
-> Super I/O
-> Video
Award - 2 entries
POST string
Note
Core Ver.
BIOS Ver.
Logs
POST string
02/27/2002-GXm-Cx5530-2A434I9EC-00
Note
Core version
v4.51PG
BIOS version
Logs
POST string
10/08/2001-GXm-Cx5530-2A434I9EC-00
Note
Core version
v4.51PG
BIOS version
Logs
Name
Version
OS support
Arch
Size
Filename
Name
Version
4.02.0017
OS support
Arch
x86
Size
5.5MB
Filename
Name
Version
4.10.2225
OS support
Arch
x86
Size
4.6MB
Filename
Name
Version
5.00.2238
OS support
Arch
x86
Size
3MB
Filename
Name
Version
5.719.0325.2009
OS support
Arch
x86
Size
39.5MB
Filename
Name
Version
V5.00
OS support
Arch
x86
, PPC
Size
3.3MB
Filename
Release date
File
Logs
Chip
Release date
File
Logs
Disclaimer
The info found in this page might not be entirely correct. Check out this guide to learn how you can improve it.