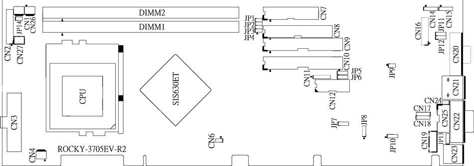
ICP ROCKY-3705EV
Logs
chipChipset
cpuSocket
speedFSB speeds
66MHz100MHz133MHz
moboForm factor
Single Board Computer
dimDimensions
338mm x 122mm
ramMax VRAM size
64MB
chipCache
None/Integrated in the CPU
ramMax RAM size
1GB
ramRAM type
SDR UDIMM
pwrPSU connector
Empty
tag Also known as
connI/O ports
1x 
Floppy interface
2x 
IDE interface
1x 
PS/2 keyboard
1x 
PS/2 mouse
1x 
Parallel
1x 
RJ-45 LAN
2x 
Serial
2x 
USB 1.x
1x 
VGA
cardExpansion slots
1x 
PICMG 1.0 (PCI/ISA)
Last updated 2024-08-01T17:19:30Z
Board info score is 8.9/10
bios 7 BIOS files available

vendor Award - 7 entries

POST string
Note
Core Ver.
BIOS Ver.
Logs
POST string
11/13/2002-SiS-630E-6A6IRI9GC-00
Note
Core version
6.00PG
BIOS version
Logs
POST string
04/12/2002-SiS-630E-6A6IRI9GC-00
Note
Core version
6.00PG
BIOS version
Logs
POST string
08/22/2002-SiS-630E-6A6IRI9GC-00
Note
Core version
6.00PG
BIOS version
Logs
POST string
01/02/2002-SiS-630E-6A6IRI9GC-00
Note
Core version
6.00PG
BIOS version
Logs
POST string
09/03/2001-SiS-630E-6A6IRI9BC-00
Note
Core version
6.00PG
BIOS version
Logs
POST string
08/13/2001-SiS-630E-6A6IRI9BC-00
Note
Core version
6.00PG
BIOS version
Logs
POST string
02/28/2001-SiS-630E-6A6IRI9BC-00
Note
Core version
6.00PG
BIOS version
Logs
drv 9 drivers available
Name
Version
OS support
Arch
Size
Filename
Name
Version
N/A
OS support
Windows 2000 Windows 9x Windows NT 4.0
Arch
x86
Size
1.8MB
Filename
Name
Version
2.08A
OS support
Windows 9x
Arch
Size
Empty
Filename
Name
Version
2.08A
OS support
Windows NT 4.0
Arch
Size
Empty
Filename
Name
Version
1.19
OS support
MS-DOS NetWare Server 4 Netware Client32 Windows 2000 Windows 3.1x Windows 9x Windows NT 4.0 Windows XP/2k3
Arch
x86 , x86-64
Size
3.8MB
Filename
Name
Version
1.21
OS support
Windows 2000 Windows 9x Windows XP/2k3
Arch
Size
Empty
Filename
Name
Version
2.04A
OS support
Windows 2000 Windows 9x Windows XP/2k3
Arch
Size
Empty
Filename
doc 1 board document available
Release date
File
Logs
Release date
File
Logs

Disclaimer

The info found in this page might not be entirely correct. Check out this guide to learn how you can improve it.