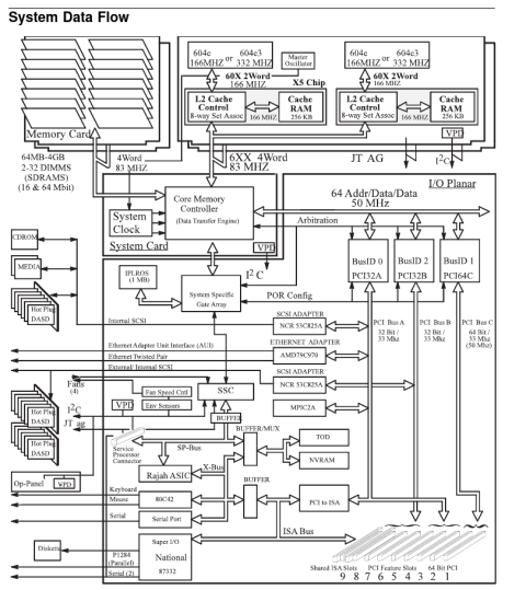
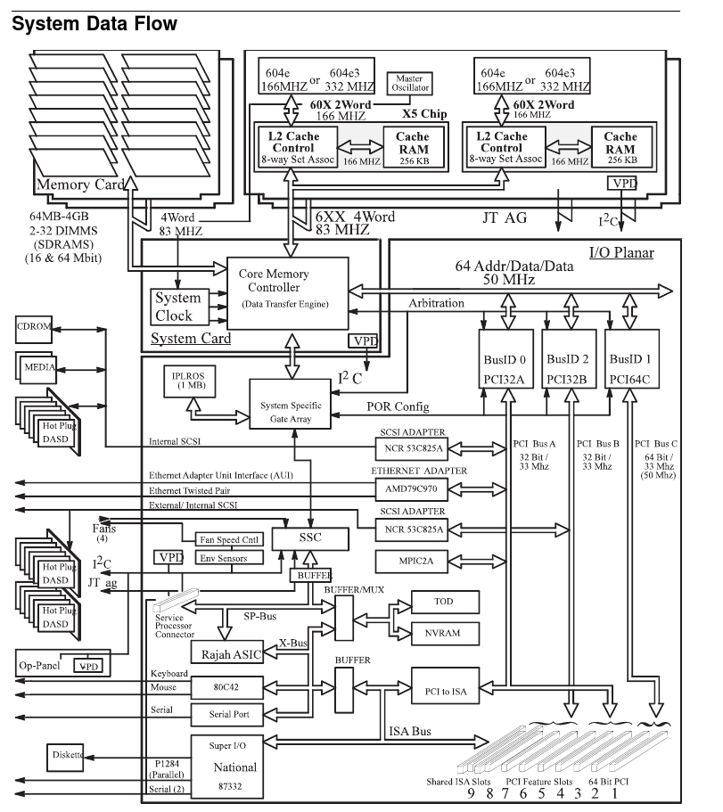
IBM RS/6000 Type 7025-F50
Empty
83MHz
OEM / Proprietary
35x42.5cm
None/Integrated in the CPU
4GB
200-pin SDRAM (IBM)
2 CPUs
1x
External SCSI
1x
Floppy interface
1x
Internal SCSI
1x
PS/2 keyboard
1x
PS/2 mouse
1x
Parallel
1x
RJ-45 LAN
3x
Serial
2x
16-bit ISA
7x
32-bit PCI
2x
64-bit PCI
Last updated 2024-03-10T15:47:52Z
Board info score is 8.7/10
-> Network
-> SCSI ctrl.
-> Super I/O
IBM - 3 entries
Name
Version
OS support
Arch
Size
Filename
Name
Version
4.0
OS support
Arch
x86
Size
363.7KB
Filename
Name
Version
4.0
OS support
Arch
x86
Size
402.3KB
Filename
Name
Version
4.13
OS support
Arch
x86
Size
35.3KB
Filename
Name
Version
4.13
OS support
Arch
x86
Size
100.8KB
Filename
Name
Version
4.13
OS support
Arch
ALPHA
Size
46KB
Filename
Release date
File
Logs
Chip
Release date
File
Logs
Chip
Release date
1995-05
File
Logs
Chip
Release date
1995
File
Logs
Family
Release date
File
Logs
Family
Release date
1996-01
File
Logs
Family
Release date
1997-07-30
File
Logs
Family
Release date
1999-09-17
File
Logs
Disclaimer
The info found in this page might not be entirely correct. Check out this guide to learn how you can improve it.