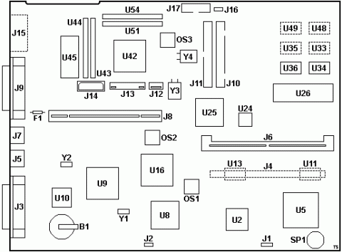
IBM PS/2 MODEL 25SX (8525) (K Planar)
16MHz20MHz
OEM / Proprietary
330mm x 218mm
512KB
None/Integrated in the CPU
Empty
72-pin FPM
Empty
1x
Floppy interface
1x
IDE interface
1x
PS/2 keyboard
1x
PS/2 mouse
1x
Parallel
1x
Serial
2x
16-bit ISA
Further info: https://www.ardent-tool.com/8525/Planar_SX.html
Last updated 2024-01-01T15:58:39Z
Board info score is 7/10
-> Chipset part
-> Human Interface
-> Video
Release date
File
Logs
Chip
Release date
File
Logs
Chip
Release date
1995-11-30
File
Logs
Chip
Release date
1995-11-22
File
Logs
Chip
Release date
1994-07
File
Logs
Chip
Release date
1996-01
File
Logs
Disclaimer
The info found in this page might not be entirely correct. Check out this guide to learn how you can improve it.