IBM PC 330-6571, PC 350-6581
Logs
chipChipset
cpuSocket
speedFSB speeds
20MHz25MHz33MHz50MHz
moboForm factor
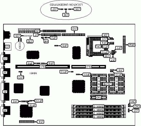
LPX (max 229 x 330 mm)
dimDimensions
330mm x 218mm
ramMax VRAM size
1MB
chipCache
128KB256KB
ramMax RAM size
128MB
ramRAM type
72-pin FPM
pwrPSU connector
tag Also known as
connI/O ports
1x 
Floppy interface
2x 
IDE interface
1x 
PS/2 keyboard
1x 
PS/2 mouse
1x 
Parallel
2x 
Serial
cardExpansion slots
1x 
32-bit VLB
wrench Known issues
  • Expansion slots are on proprietary riser

The listed slots are on the riser card that came with the motherboard.
If you have this board make sure you have the riser for it.

Last updated 2025-06-24T17:39:22Z
Board info score is 9.2/10
chip Chips
-> Chipset part -> IDE ctrl. -> Super I/O -> Video
cpufam CPU family support
bios 3 BIOS files available

vendor IBM - 3 entries

POST string
Note
Core Ver.
BIOS Ver.
Logs
POST string
Note
Core version
SurePath
BIOS version
Logs
POST string
Note
ROM dump from a real board
Core version
SurePath
BIOS version
Logs
POST string
Note
ROM dump
Core version
SurePath
BIOS version
Logs
drv 2 drivers available
Name
Version
OS support
Arch
Size
Filename
Name
Version
1.22
OS support
Windows 3.1x
Arch
x86
Size
1.4MB
Filename
Name
Version
1.24
OS support
OS/2 2.x Windows 3.1x Windows NT 3.1 Windows NT 3.5x
Arch
x86
Size
9.9MB
Filename
doc 3 board documents available
Release date
File
Logs
Release date
File
Logs
Release date
File
Logs
Release date
File
Logs

Disclaimer

The info found in this page might not be entirely correct. Check out this guide to learn how you can improve it.