IBM PC 300 (Type 6277, 6287) Pentium II/Pentium III
Logs
chipChipset
cpuSocket
speedFSB speeds
66MHz100MHz
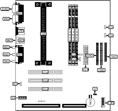
moboForm factor
microATX (max 244 x 244 mm)
dimDimensions
Empty
chipCache
None/Integrated in the CPU
ramMax RAM size
384MB
ramRAM types
SDR UDIMM168-pin EDO UDIMM
pwrPSU connector
connI/O ports
1x 
Floppy interface
2x 
IDE interface
1x 
PS/2 keyboard
1x 
PS/2 mouse
1x 
Parallel
2x 
Serial
2x 
USB 1.x
1x 
VGA
cardExpansion slots
1x 
16-bit ISA
3x 
32-bit PCI
Last updated 2022-06-01T15:17:24Z
Board info score is 6.8/10
cpufam CPU family support
bios 0 BIOS files available
drv 7 drivers available
Name
Version
OS support
Arch
Size
Filename
Name
Version
3.20.1008
OS support
Windows 2000 Windows 9x Windows XP/2k3
Arch
Size
Empty
Filename
Name
Version
3.00
OS support
OS/2 Warp 3.x Windows NT 3.5x Windows NT 4.0
Arch
x86
Size
1.2MB
Filename
Name
Version
3.7B / 3.7D
OS support
MS-DOS NetWare Server 3 NetWare Server 4 OS/2 Warp 3.x Windows 3.1x Windows 9x Windows NT 3.5x
Arch
x86
Size
1.6MB
Filename

Disclaimer

The info found in this page might not be entirely correct. Check out this guide to learn how you can improve it.