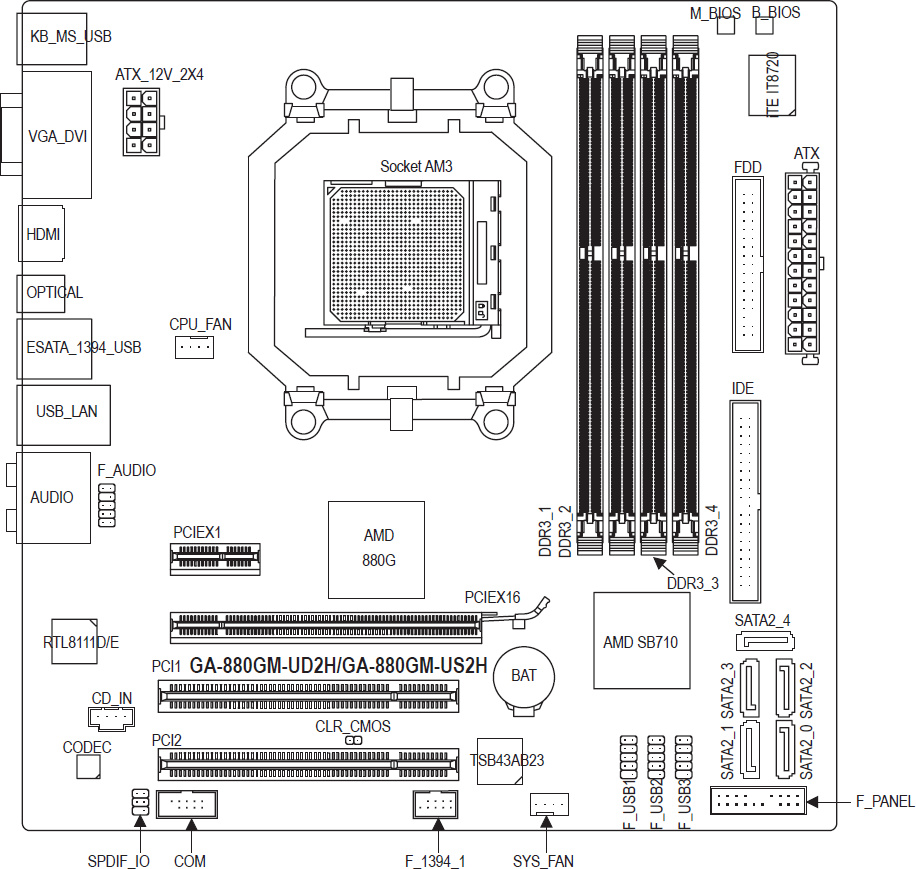
Gigabyte GA-880GM-UD2H (rev. 1.4)
Logs
chipChipset
cpuSocket
speedFSB speed
Empty
moboForm factor
microATX (max 244 x 244 mm)
dimDimensions
244mm x 244mm
ramMax VRAM size
512MB
chipCache
None/Integrated in the CPU
ramMax RAM size
16GB(DDR3-1866)
ramRAM type
DDR3 UDIMM
pwrPSU connector
tag Also known as
  • Gigabyte GA-880GM-US2H (non-solid capacitors)
connI/O ports
1x 
3.5mm Audio Combo
1x 
DVI
2x 
FireWire 400
1x 
Floppy interface
1x 
HDMI
1x 
IDE interface
1x 
PS/2 KB+MS Combo
1x 
RJ-45 LAN
1x 
S/PDIF
5x 
SATA II
1x 
Serial
1x 
Toslink
12x 
USB 2.0
1x 
VGA
1x 
eSATA II
cardExpansion slots
2x 
32-bit PCI
1x 
PCIe x1
1x 
PCIe x16
notes Notes
  • supports HybridCrossFireX
Last updated 2023-09-18T11:27:55Z
Board info score is 6.7/10
bios 0 BIOS files available
drv 1 driver available
Name
Version
OS support
Arch
Size
Filename
Name
Version
R2.74
OS support
Windows 2000 Windows 7 Windows Vista Windows XP/2k3
Arch
Size
30.7MB
Filename

Disclaimer

The info found in this page might not be entirely correct. Check out this guide to learn how you can improve it.