Gigabyte GA-6WMMC7 (OEM)
66MHz100MHz
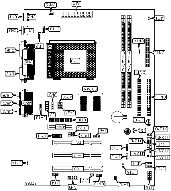
microATX (max 244 x 244 mm)
244 mm x 190 mm
32MB
None/Integrated in the CPU
512MB
SDR UDIMM
- IBM 19K3582
- IBM Aptiva 2194 System Board
- IBM NetVista A20 System Board
- Seanix Finlay
- Time / Tiny (unknown model) system board
1x
3.5mm Audio Combo
1x
Floppy interface
1x
Gameport
2x
IDE interface
1x
IrDA
1x
PS/2 keyboard
1x
PS/2 mouse
1x
Parallel
2x
Serial
2x
USB 1.x
1x
VGA
3x
32-bit PCI
1x
AMR
Last updated 2025-04-04T14:56:27Z
Board info score is 9.4/10
-> Chipset part
-> Audio
-> Super I/O
-> Video
Award - 2 entries
POST string
Note
Core Ver.
BIOS Ver.
Logs
IBM - 2 entries
Name
Version
OS support
Arch
Size
Filename
Name
Version
4.1
OS support
Arch
x86
Size
4.2MB
Filename
Version
OS support
Arch
Size
Filename
Version
OS support
Arch
x86
Size
2.2MB
Filename
Version
OS support
Arch
Size
Filename
Version
OS support
Arch
x86
Size
Empty
Filename
Version
OS support
Arch
Size
Empty
Filename
Version
OS support
Arch
Size
Filename
Version
OS support
Arch
Size
Empty
Filename
Release date
File
Logs
Chip
Release date
File
Logs
Chip
Release date
2000-05-12
File
Logs
Chip
Release date
File
Logs
Chip
Release date
File
Logs
Chip
Release date
File
Logs
Chip
Release date
File
Logs
Chip
Release date
File
Logs
Chip
Release date
File
Logs
Chip
Release date
File
Logs
Chip
Release date
File
Logs
Chip
Release date
File
Logs
Chip
Release date
File
Logs
Chip
Release date
File
Logs
Chip
Release date
2006-06-09
File
Logs
Family
Release date
File
Logs
Family
Release date
2002-02
File
Logs
Family
Release date
2000-02
File
Logs
Family
Release date
2001-06
File
Logs
Socket
Release date
File
Logs
Socket
Release date
1997-05
File
Logs
Disclaimer
The info found in this page might not be entirely correct. Check out this guide to learn how you can improve it.