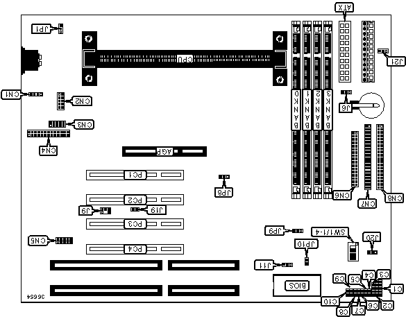
Gigabyte GA-6VA 2.8
Logs
chipChipset
cpuSocket
speedFSB speeds
66MHz100MHz
moboForm factor
Baby AT (max 220 x 330 mm)
dimDimensions
220mm x 240mm
chipCache
None/Integrated in the CPU
ramMax RAM size
768MB
ramRAM type
SDR UDIMM
pwrPSU connector
connI/O ports
1x 
AT Keyboard
1x 
Floppy interface
2x 
IDE interface
1x 
PS/2 mouse
1x 
Parallel
2x 
Serial
2x 
USB 1.x
cardExpansion slots
2x 
16-bit ISA
1x 
3.3V AGP
4x 
32-bit PCI
Last updated 2022-06-01T13:50:51Z
Board info score is 8.4/10
bios 4 BIOS files available

vendor Award - 4 entries

POST string
Note
Core Ver.
BIOS Ver.
Logs
POST string
10/21/1999-693-596-W977-2A6LGG0AC-00
Note
Core version
4.51PG
BIOS version
Logs
POST string
09/03/1999-693-596-W977-2A6LGG0AC-00
Note
Core version
4.51PG
BIOS version
Logs
POST string
03/01/1999-693-596-W977-2A6LGG0AC-00
Note
Core version
4.51PG
BIOS version
Logs
POST string
02/09/1999-693-596-W977-2A6LGG0AC-00
Note
Core version
4.51PG
BIOS version
Logs
drv 1 driver available
Name
Version
OS support
Arch
Size
Filename
Name
Version
4.43V
OS support
Windows 2000 Windows 9x Windows NT 4.0 Windows XP/2k3
Arch
Size
1.1MB
Filename
doc 2 board documents available
Release date
File
Logs
Release date
File
Logs
Release date
File
Logs

Disclaimer

The info found in this page might not be entirely correct. Check out this guide to learn how you can improve it.