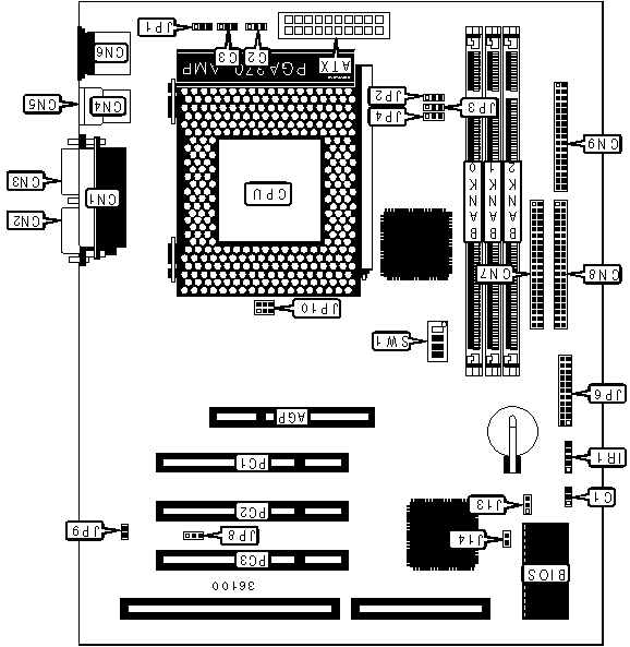
Gigabyte GA-6LM7
66MHz
microATX (max 244 x 244 mm)
244mm x 244mm
None/Integrated in the CPU
768MB
SDR UDIMM168-pin EDO UDIMM
1x
Floppy interface
2x
IDE interface
1x
PS/2 keyboard
1x
PS/2 mouse
1x
Parallel
2x
Serial
2x
USB 1.x
1x
16-bit ISA
1x
3.3V AGP
3x
32-bit PCI
Last updated 2025-05-16T19:06:53Z
Board info score is 9.3/10
-> Chipset part
Award - 4 entries
POST string
Note
Core Ver.
BIOS Ver.
Logs
POST string
02/26/1999-i440LX-W977-2A69JG0GC-00
Note
Latest Beta BIOS
Core version
4.51PG
BIOS version
Logs
POST string
12/31/1998-i440LX-W977-2A69JG0OC-00
Note
Latest BIOS
Core version
4.51PG
BIOS version
Logs
Name
Version
OS support
Arch
Size
Filename
Name
Version
3.20.1008
OS support
Arch
Size
Empty
Filename
Name
Version
3.00
OS support
Arch
x86
Size
1.2MB
Filename
Name
Version
3.7B / 3.7D
OS support
Arch
x86
Size
1.6MB
Filename
Version
OS support
Arch
Size
Filename
Version
OS support
Arch
Size
Filename
Version
OS support
Arch
x86
Size
2.2MB
Filename
Release date
File
Logs
Chip
Release date
File
Logs
Chip
Release date
File
Logs
Chip
Release date
File
Logs
Family
Release date
File
Logs
Family
Release date
2002-02
File
Logs
Socket
Release date
File
Logs
Socket
Release date
1997-05
File
Logs
Disclaimer
The info found in this page might not be entirely correct. Check out this guide to learn how you can improve it.