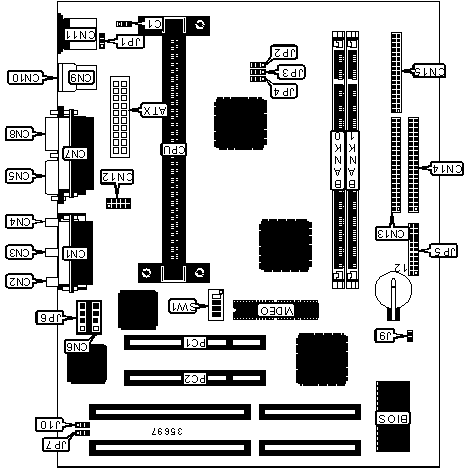
Gigabyte GA-6EMM
Logs
chipChipset
cpuSocket
speedFSB speed
66MHz
moboForm factor
microATX (max 244 x 244 mm)
dimDimensions
243mm x 200mm
ramMax VRAM size
2MB
chipCache
None/Integrated in the CPU
ramMax RAM size
256MB
ramRAM types
SDR UDIMM168-pin EDO UDIMM
pwrPSU connector
connI/O ports
1x 
Floppy interface
1x 
Gameport
2x 
IDE interface
1x 
PS/2 keyboard
1x 
PS/2 mouse
1x 
Parallel
2x 
Serial
2x 
USB 1.x
cardExpansion slots
2x 
16-bit ISA
2x 
32-bit PCI
Last updated 2022-07-28T18:16:42Z
Board info score is 8.7/10
bios 5 BIOS files available

vendor Award - 5 entries

POST string
Note
Core Ver.
BIOS Ver.
Logs
POST string
10/09/1998-i440EX-8671-2A69JG0SC-00
Note
Lastest BIOS
Core version
4.51PG
BIOS version
Logs
POST string
07/31/1998-i440EX-8671-2A69JG0QC-00
Note
Core version
4.51PG
BIOS version
Logs
POST string
05/29/98-i440EX-8671-2A69JG0QC-00
Note
Core version
4.51PG
BIOS version
Logs
POST string
04/30/98-i440EX-8671-2A69JG0QC-00
Note
Core version
4.51PG
BIOS version
Logs
POST string
03/30/98-i440LX-8671-2A69JG0QC-00
Note
Core version
4.51PGM
BIOS version
Logs
drv 11 drivers available
Name
Version
OS support
Arch
Size
Filename
Name
Version
3.20.1008
OS support
Windows 2000 Windows 9x Windows XP/2k3
Arch
Size
Empty
Filename
Name
Version
4.35
OS support
Windows 9x
Arch
x86
Size
1.6MB
Filename
Name
Version
3.7B / 3.7D
OS support
MS-DOS NetWare Server 3 NetWare Server 4 OS/2 Warp 3.x Windows 3.1x Windows 9x Windows NT 3.5x
Arch
x86
Size
1.6MB
Filename
Name
Version
v2329
OS support
Windows 3.1x
Arch
x86
Size
1.7MB
Filename
Name
Version
v2343
OS support
Windows 9x
Arch
x86
Size
1.9MB
Filename
doc 4 board documents available
Release date
File
Logs
Release date
File
Logs
Release date
File
Logs
Release date
File
Logs
Release date
File
Logs

Disclaimer

The info found in this page might not be entirely correct. Check out this guide to learn how you can improve it.