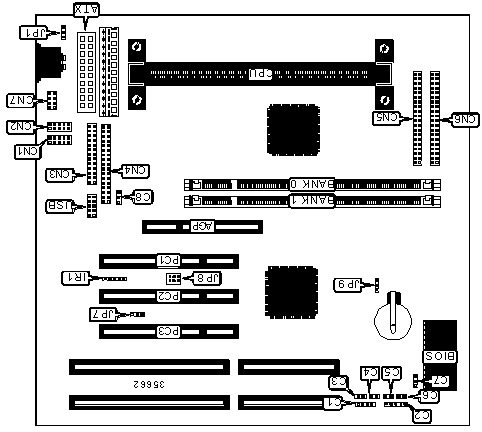
Freetech/Flexus P6F92 (Pegasus)
Logs
chipChipset
cpuSocket
speedFSB speed
66MHz
moboForm factor
Baby AT (max 220 x 330 mm)
dimDimensions
220mm x 211mm
chipCache
None/Integrated in the CPU
ramMax RAM size
256MB
ramRAM types
SDR UDIMM168-pin EDO UDIMM
pwrPSU connector
connI/O ports
1x 
AT Keyboard
1x 
Floppy interface
2x 
IDE interface
1x 
PS/2 mouse
1x 
Parallel
2x 
Serial
2x 
USB 1.x
cardExpansion slots
2x 
16-bit ISA
1x 
3.3V AGP
3x 
32-bit PCI
Last updated 2023-04-24T15:03:43Z
Board info score is 9.1/10
bios 3 BIOS files available

vendor Award - 3 entries

POST string
Note
Core Ver.
BIOS Ver.
Logs
POST string
05/05/1999-i440LX-ITE867-2A69JF2QC-00
Note
1Mbit
Core version
4.51PG
BIOS version
Logs
POST string
09/02/1998-i440LX-ITE867-2A69JF2QC-00
Note
1Mbit
Core version
4.51PG
BIOS version
Logs
POST string
06/10/1999-i440LX-ITE867-2A69JF2UC-00
Note
2Mbit
Core version
4.51PG
BIOS version
Logs
drv 7 drivers available
Name
Version
OS support
Arch
Size
Filename
Name
Version
3.20.1008
OS support
Windows 2000 Windows 9x Windows XP/2k3
Arch
Size
Empty
Filename
Name
Version
3.00
OS support
OS/2 Warp 3.x Windows NT 3.5x Windows NT 4.0
Arch
x86
Size
1.2MB
Filename
Name
Version
3.7B / 3.7D
OS support
MS-DOS NetWare Server 3 NetWare Server 4 OS/2 Warp 3.x Windows 3.1x Windows 9x Windows NT 3.5x
Arch
x86
Size
1.6MB
Filename
doc 2 board documents available
Release date
File
Logs
Release date
File
Logs
Release date
File
Logs

Disclaimer

The info found in this page might not be entirely correct. Check out this guide to learn how you can improve it.