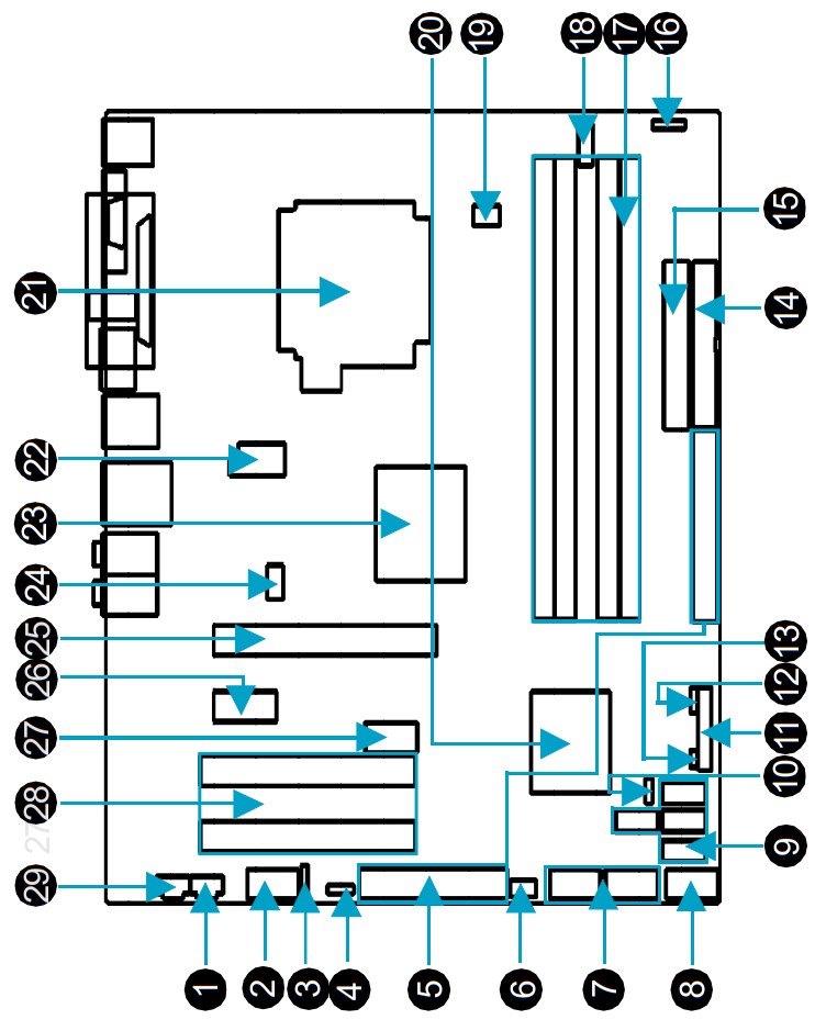
Foxconn 945G7MD-8KS2H
533MHz800MHz1066MHz
microATX (max 244 x 244 mm)
244 mm x 244 mm
256MB
None/Integrated in the CPU
4GB
DDR2 UDIMM
2x
3.5mm Audio Combo
1x
Floppy interface
2x
IDE interface
1x
PS/2 keyboard
1x
PS/2 mouse
1x
Parallel
1x
RJ-45 LAN
4x
SATA II
2x
Serial
8x
USB 2.0
1x
VGA
1x
eSATA II
2x
32-bit PCI
1x
PCIe x1
1x
PCIe x16
- Faulty or Leaking Electrolytic Capacitors
Some motherboards may contain faulty or leaking electrolytic capacitors, which can negatively impact system performance or stability. These capacitors may exhibit issues such as bulging, leaking, or even exploding, potentially damaging other components on the motherboard. Users should inspect their capacitors regularly and replace any that are faulty or leaking to avoid damage or system instability.
Last updated 2025-07-28T09:34:00Z
Board info score is 9.6/10
-> Chipset part
-> Audio
-> Network
-> SATA/IDE ctrl.
-> Super I/O
-> Video
- Intel Pentium 4 (Prescott)
- Intel Core 2 Duo (Conroe/Allendale)
- Intel Pentium D (Presler)
- Intel Core 2 Duo (Wolfdale)
- Intel Pentium 4 (Cedar Mill)
- Intel Pentium 4 Extreme Edition (Prescott)
- Intel Pentium D (Smithfield)
- Intel Celeron D (Prescott-256)
- Intel Pentium Dual-Core (Allendale)
- Intel Celeron Dual-Core (Allendale)
- Intel Xeon (Conroe/Allendale)
- Intel Celeron (Conroe-L)
- Intel Celeron D (Cedar Mill-512)
- Intel Pentium Dual-Core (Wolfdale)
- Intel Celeron Dual-Core (Wolfdale)
- Intel Xeon (Wolfdale)
Award - 3 entries
POST string
Note
Core Ver.
BIOS Ver.
Logs
Name
Version
OS support
Arch
Size
Filename
Name
Version
14.17.0.4396
OS support
Arch
Size
Empty
Filename
Name
Version
14.32.4
OS support
Arch
Size
47.9MB
Filename
Name
Version
14.25.50
OS support
Arch
x86
Size
Empty
Filename
Name
Version
R1.17.39
OS support
Arch
x86
, x86-64
Size
3.8MB
Filename
Version
OS support
Arch
Size
Filename
Version
OS support
Arch
Size
Empty
Filename
Version
OS support
Arch
Size
2.4MB
Filename
Release date
File
Logs
Chip
Release date
File
Logs
Chip
Release date
2008
File
Logs
Chip
Release date
2007-04
File
Logs
Chip
Release date
2005-04
File
Logs
Chip
Release date
2012-05
File
Logs
Chip
Release date
2006
File
Logs
Chip
Release date
2007-01-09
File
Logs
Chip
Release date
2004-06-04
File
Logs
Family
Release date
File
Logs
Family
Release date
2001-02
File
Logs
Family
Release date
2008-01
File
Logs
Family
Release date
2007-03
File
Logs
Family
Release date
2008-08
File
Logs
Family
Release date
File
Logs
Family
Release date
2008-01
File
Logs
Family
Release date
2008-10
File
Logs
Family
Release date
2010-12
File
Logs
Family
Release date
2008-12
File
Logs
Family
Release date
2009-01
File
Logs
Family
Release date
2011-09-06
File
Logs
Family
Release date
2011-09-06
File
Logs
Family
Release date
2011-09-06
File
Logs
Family
Release date
2011-09-06
File
Logs
Family
Release date
2008-12
File
Logs
Family
Release date
File
Logs
Family
Release date
2007-06
File
Logs
Family
Release date
2007-10
File
Logs
Family
Release date
2010-12
File
Logs
Family
Release date
2011-03-21
File
Logs
Family
Release date
2011-03-21
File
Logs
Family
Release date
2005-02
File
Logs
Family
Release date
2005-05
File
Logs
Family
Release date
2004-02
File
Logs
Family
Release date
2007-01
File
Logs
Family
Release date
2007-07
File
Logs
Family
Release date
File
Logs
Family
Release date
2001-10
File
Logs
Family
Release date
2002-05
File
Logs
Family
Release date
File
Logs
Socket
Release date
File
Logs
Disclaimer
The info found in this page might not be entirely correct. Check out this guide to learn how you can improve it.