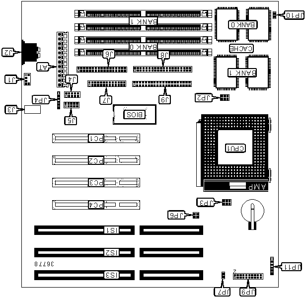
ENPC/ENlight EP-PV12
Logs
chipChipset
cpuSocket
speedFSB speeds
50MHz55MHz60MHz66MHz
moboForm factor
Baby AT (max 220 x 330 mm)
dimDimensions
Empty
chipCache
256KB512KB
ramMax RAM size
128MB
ramRAM types
72-pin FPM72-pin EDO
pwrPSU connector
connI/O ports
1x 
AT Keyboard
1x 
Floppy interface
1x 
Gameport
2x 
IDE interface
1x 
PS/2 mouse
1x 
Parallel
2x 
Serial
2x 
USB 1.x
cardExpansion slots
3x 
16-bit ISA
4x 
32-bit PCI
Last updated 2022-07-09T15:13:56Z
Board info score is 8.3/10
bios 2 BIOS files available

vendor Award - 2 entries

POST string
Note
Core Ver.
BIOS Ver.
Logs
POST string
06/30/97-i430VX-2A59GECAC-00
Note
Core version
4.51PG
BIOS version
Logs
POST string
05/20/97-i430VX-2A59GECAC-00
Note
Core version
4.51PG
BIOS version
Logs
drv 4 drivers available
Name
Version
OS support
Arch
Size
Filename
Name
Version
3.00
OS support
OS/2 Warp 3.x Windows NT 3.5x Windows NT 4.0
Arch
x86
Size
1.2MB
Filename
Name
Version
3.7B / 3.7D
OS support
MS-DOS NetWare Server 3 NetWare Server 4 OS/2 Warp 3.x Windows 3.1x Windows 9x Windows NT 3.5x
Arch
x86
Size
1.6MB
Filename
doc 2 board documents available
Release date
File
Logs
Release date
File
Logs
Release date
File
Logs

Disclaimer

The info found in this page might not be entirely correct. Check out this guide to learn how you can improve it.