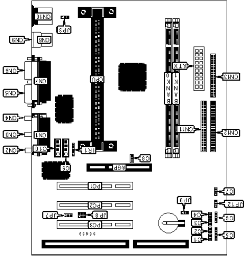
EFA P6EX-mATX
Logs
chipChipset
cpuSocket
speedFSB speed
66MHz
moboForm factor
microATX (max 244 x 244 mm)
dimDimensions
244 mm x 190 mm
chipCache
None/Integrated in the CPU
ramMax RAM size
256MB(SDRAM)512MB(EDO)
ramRAM types
SDR UDIMM168-pin EDO UDIMM
pwrPSU connector
tag Also known as
connI/O ports
1x 
Floppy interface
1x 
Gameport
2x 
IDE interface
1x 
PS/2 keyboard
1x 
PS/2 mouse
1x 
Parallel
1x 
SB_Link
2x 
Serial
2x 
USB 1.x
cardExpansion slots
1x 
16-bit ISA
1x 
3.3V AGP
3x 
32-bit PCI
Last updated 2022-05-28T19:42:27Z
Board info score is 7.9/10
bios 0 BIOS files available
drv 8 drivers available
Name
Version
OS support
Arch
Size
Filename
Name
Version
4.3
OS support
MS-DOS
Arch
x86
Size
25.8KB
Filename
Name
Version
3.20.1008
OS support
Windows 2000 Windows 9x Windows XP/2k3
Arch
Size
Empty
Filename
Name
Version
4.05.02
OS support
Windows 9x
Arch
x86
Size
358.1KB
Filename
Name
Version
3.7B / 3.7D
OS support
MS-DOS NetWare Server 3 NetWare Server 4 OS/2 Warp 3.x Windows 3.1x Windows 9x Windows NT 3.5x
Arch
x86
Size
1.6MB
Filename
doc 1 board document available
Release date
File
Logs
Release date
File
Logs

Disclaimer

The info found in this page might not be entirely correct. Check out this guide to learn how you can improve it.