ECS P5GM-LG
Logs
chipChipset
cpuSocket
speedFSB speeds
30MHz33MHz
moboForm factor
LPX (max 229 x 330 mm)
dimDimensions
Empty
ramMax VRAM size
2.5MB
chipCache
None/Integrated in the CPU
ramMax RAM size
256MB
ramRAM type
SDR UDIMM
pwrPSU connector
connI/O ports
1x 
Floppy interface
1x 
Gameport
2x 
IDE interface
1x 
PS/2 keyboard
1x 
PS/2 mouse
1x 
Parallel
2x 
Serial
2x 
USB 1.x
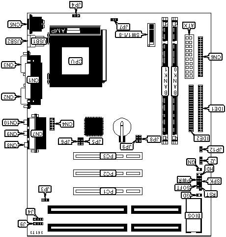
cardExpansion slots
2x 
16-bit ISA
2x 
32-bit PCI
wrench Known issues
  • Expansion slots are on proprietary riser

The listed slots are on the riser card that came with the motherboard.
If you have this board make sure you have the riser for it.

Last updated 2025-06-29T13:06:07Z
Board info score is 7.8/10
cpufam CPU family support
bios 0 BIOS files available
drv 1 driver available
Name
Version
OS support
Arch
Size
Filename
Name
Version
4.10.01.1305
OS support
Windows 3.1x Windows NT 4.0
Arch
Size
363.2KB
Filename
doc 2 board documents available
Release date
File
Logs
Release date
File
Logs
Release date
File
Logs

Disclaimer

The info found in this page might not be entirely correct. Check out this guide to learn how you can improve it.