DTK PRM-0084I E1 (RB) VBX
Logs
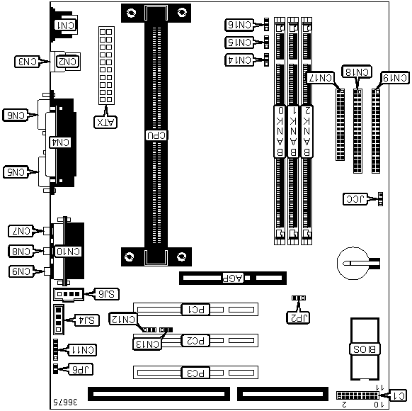
chipChipset
cpuSocket
speedFSB speeds
66MHz100MHz
moboForm factor
microATX (max 244 x 244 mm)
dimDimensions
Empty
chipCache
None/Integrated in the CPU
ramMax RAM size
768MB
ramRAM type
SDR UDIMM
pwrPSU connector
tag Also known as
connI/O ports
1x 
Floppy interface
1x 
Gameport
2x 
IDE interface
1x 
PS/2 keyboard
1x 
PS/2 mouse
1x 
Parallel
2x 
Serial
2x 
USB 1.x
cardExpansion slots
1x 
16-bit ISA
1x 
3.3V AGP
3x 
32-bit PCI
Last updated 2023-01-09T12:06:32Z
Board info score is 8.6/10
bios 3 BIOS files available

vendor Award - 3 entries

POST string
Note
Core Ver.
BIOS Ver.
Logs
POST string
11/15/1999-693-596-W977-2A6LGG3AC-00
Note
2Mbit
Core version
4.51PG
BIOS version
Logs
POST string
02/03/1999-693-596-W977-2A6LGG3AC-00
Note
2Mbit
Core version
4.51PG
BIOS version
Logs
POST string
02/03/1999-692-596-W977-2A6LGG3AC-00
Note
1Mbit
Core version
4.51PG
BIOS version
Logs
drv 1 driver available
Name
Version
OS support
Arch
Size
Filename
Name
Version
4.43V
OS support
Windows 2000 Windows 9x Windows NT 4.0 Windows XP/2k3
Arch
Size
1.1MB
Filename
doc 5 board documents available
Release date
File
Logs
Release date
File
Logs
Release date
File
Logs
Release date
File
Logs
Release date
File
Logs
Release date
File
Logs

Disclaimer

The info found in this page might not be entirely correct. Check out this guide to learn how you can improve it.