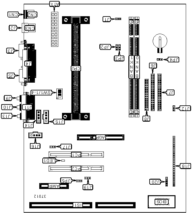
DFI PA33
Logs
chipChipset
cpuSocket
speedFSB speeds
66MHz100MHz
moboForm factor
microATX (max 244 x 244 mm)
dimDimensions
Empty
chipCache
None/Integrated in the CPU
ramMax RAM size
512MB
ramRAM type
SDR UDIMM
pwrPSU connector
connI/O ports
1x 
Floppy interface
1x 
Gameport
2x 
IDE interface
1x 
PS/2 keyboard
1x 
PS/2 mouse
1x 
Parallel
2x 
Serial
2x 
USB 1.x
cardExpansion slots
1x 
16-bit ISA
1x 
3.3V AGP
2x 
32-bit PCI
1x 
AMR
Last updated 2022-08-23T11:23:12Z
Board info score is 8.6/10
bios 8 BIOS files available

vendor Award - 8 entries

POST string
Note
Core Ver.
BIOS Ver.
Logs
POST string
11/15/1999-693-686A-CD-2A6LGD4UC-00
Note
Core version
4.51PG
BIOS version
Logs
POST string
09/13/1999-693-686A-CD-2A6LGD4UC-00
Note
Core version
4.51PG
BIOS version
Logs
POST string
07/26/1999-693-686A-CD-2A6LGD4UC-00
Note
Core version
4.51PG
BIOS version
Logs
POST string
06/29/2000-693-686A-DD-2A6LGD4UC-00
Note
Core version
4.51PG
BIOS version
Logs
POST string
06/15/2000-693-686A-DD-2A6LGD4UC-00
Note
Core version
4.51PG
BIOS version
Logs
POST string
05/30/2000-693-686A-DD-2A6LGD4UC-00
Note
Core version
4.51PG
BIOS version
Logs
POST string
03/29/2000-693-686A-DD-2A6LGD4UC-00
Note
Core version
4.51PG
BIOS version
Logs
POST string
01/17/2000-693-686A-DD-2A6LGD4UC-00
Note
Core version
4.51PG
BIOS version
Logs
drv 6 drivers available
Name
Version
OS support
Arch
Size
Filename
Name
Version
N/A
OS support
MS-DOS
Arch
x86
Size
227.7KB
Filename
Name
Version
5.70d
OS support
Windows 2000 Windows 9x Windows NT 3.5x Windows NT 4.0 Windows XP/2k3
Arch
x86
Size
3.9MB
Filename
Name
Version
V3.00a
OS support
MS-DOS Windows 2000 Windows 9x Windows NT 4.0 Windows XP/2k3
Arch
x86
Size
1.9MB
Filename
Name
Version
1.08
OS support
Windows 2000 Windows 9x
Arch
x86
Size
553.6KB
Filename
doc 2 board documents available
Release date
File
Logs
Release date
File
Logs
Release date
File
Logs

Disclaimer

The info found in this page might not be entirely correct. Check out this guide to learn how you can improve it.