DFI P2XBL (REV. B+)
Logs
chipChipset
cpuSocket
speedFSB speeds
66MHz100MHz
moboForm factor
ATX (max 305 x 244 mm)
dimDimensions
Empty
chipCache
None/Integrated in the CPU
ramMax RAM size
384MB
ramRAM types
SDR UDIMM168-pin EDO UDIMM
pwrPSU connector
tag Also known as
connI/O ports
1x 
Floppy interface
2x 
IDE interface
1x 
PS/2 keyboard
1x 
PS/2 mouse
1x 
Parallel
1x 
SB_Link
2x 
Serial
2x 
USB 1.x
cardExpansion slots
3x 
16-bit ISA
1x 
3.3V AGP
4x 
32-bit PCI
notes Notes

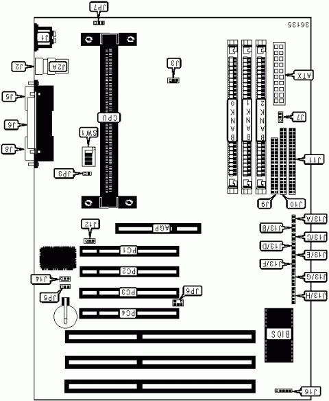
Schema incorrectly shows a 1.5V AGP slot.

Last updated 2024-10-13T16:14:33Z
Board info score is 9/10
bios 10 BIOS files available

vendor Award - 10 entries

POST string
Note
Core Ver.
BIOS Ver.
Logs
POST string
07/20/2000-i440BX-FD-2A69KD42C-00
Note
Core version
4.51PG
BIOS version
Logs
POST string
10/26/1999-i440BX-ED-2A69KD42C-00
Note
Core version
4.51PG
BIOS version
Logs
POST string
05/19/1999-i440BX-ED-2A69KD42C-00
Note
Core version
4.51PG
BIOS version
Logs
POST string
02/09/1999-i440BX-DD-2A69KD42C-00
Note
Core version
4.51PG
BIOS version
Logs
POST string
02/03/1999-i440BX-DD-2A69KD42C-00
Note
Core version
4.51PG
BIOS version
Logs
POST string
12/31/1998-i440BX-DD-2A69KD42C-00
Note
the readme specifically mentions a DMI update is needed after this upgrade
Core version
4.51PG
BIOS version
Logs
POST string
12/10/1998-i440BX-DD-2A69KD42C-00
Note
Core version
4.51PG
BIOS version
Logs
POST string
10/30/1998-i440BX-DD-2A69KD42C-00
Note
Core version
4.51PG
BIOS version
Logs
POST string
10/06/1998-i440BX-DD-2A69KD42C-00
Note
Core version
4.51PG
BIOS version
Logs
POST string
08/10/1998-i440BX-DD-2A69KD42C-00
Note
Core version
4.51PG
BIOS version
Logs
drv 6 drivers available
Name
Version
OS support
Arch
Size
Filename
Name
Version
3.20.1008
OS support
Windows 2000 Windows 9x Windows XP/2k3
Arch
Size
Empty
Filename
Name
Version
3.7B / 3.7D
OS support
MS-DOS NetWare Server 3 NetWare Server 4 OS/2 Warp 3.x Windows 3.1x Windows 9x Windows NT 3.5x
Arch
x86
Size
1.6MB
Filename
doc 3 board documents available
Release date
File
Logs
Release date
File
Logs
Release date
File
Logs
Release date
File
Logs

Disclaimer

The info found in this page might not be entirely correct. Check out this guide to learn how you can improve it.