Dell Dimension XPS R___
Logs
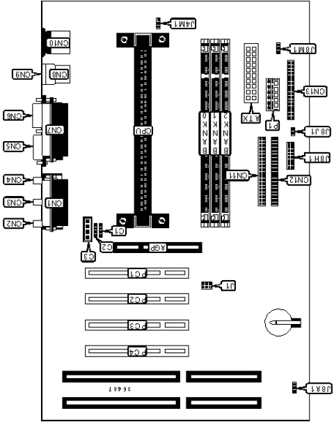
chipChipset
cpuSocket
speedFSB speeds
66MHz100MHz
moboForm factor
ATX (max 305 x 244 mm)
dimDimensions
305mm x 244mm
chipCache
None/Integrated in the CPU
ramMax RAM size
768MB
ramRAM type
SDR UDIMM
pwrPSU connector
tag Also known as
connI/O ports
1x 
Floppy interface
1x 
Gameport
2x 
IDE interface
1x 
PS/2 keyboard
1x 
PS/2 mouse
1x 
Parallel
1x 
SB_Link
1x 
Serial
2x 
USB 1.x
cardExpansion slots
2x 
16-bit ISA
1x 
3.3V AGP
4x 
32-bit PCI
wrench Known issues
  • Underpowered VRM

The onboard VRM may not provide sufficient power for certain processors or configurations.

  • Proprietary power supply connector

Some or all versions of this motherboard use a non-standard power supply connector, limiting compatibility with power supplies. It is highly advised to NOT apply power to the board prior to checking the connector pinouts and ensuring they are compatible. Failure to do so can permanently damage both the motherboard and the power supply.

We invite you to join our Discord community for assistance in repairing the damage or locating a compatible power supply.

notes Notes

OEM version of Intel SE440BX for Dell.
Shares the same VRM issues as the Intel board.
Uses proprietary PSU connector that can be resoldered to use a regular ATX one.
BIOS A03 can boot Pentium III 450 Katmai unofficially, higher speeds will not work.

Last updated 2025-12-04T15:31:35Z
Board info score is 9/10
bios 5 BIOS files available

vendor Phoenix - 5 entries

POST string
Note
Core Ver.
BIOS Ver.
Logs
POST string
Note
Last BIOS
Core version
6.0
BIOS version
Logs
POST string
Note
Last good known BIOS
Core version
6.0
BIOS version
Logs
POST string
Note
Core version
6.0
BIOS version
Logs
POST string
Note
Core version
6.0
BIOS version
Logs
POST string
Note
Can boot Katmai
Core version
6.0
BIOS version
Logs
drv 19 drivers available
Name
Version
OS support
Arch
Size
Filename
Name
Version
N/A
OS support
MS-DOS
Arch
x86
Size
195KB
Filename
Name
Version
N/A
OS support
OS/2 Warp 3.x OS/2 Warp 4.x
Arch
x86
Size
281.5KB
Filename
Name
Version
4.10.1.3000
OS support
Windows 2000 Windows 9x
Arch
x86
Size
89.1KB
Filename
Name
Version
N/A
OS support
Windows 9x
Arch
x86
Size
2.8MB
Filename
Name
Version
PV2860
OS support
Windows 9x
Arch
x86
Size
932.8KB
Filename
Name
Version
2.00
OS support
Windows 3.1x
Arch
x86
Size
880.7KB
Filename
Name
Version
N/A
OS support
Windows NT 3.5x
Arch
x86
Size
1.7MB
Filename
Name
Version
N/A
OS support
Windows NT 4.0
Arch
x86
Size
1.7MB
Filename
Name
Version
3.0.2.2
OS support
Windows 2000
Arch
x86
Size
2.3MB
Filename
Name
Version
2.8.8.3
OS support
Windows 9x
Arch
x86
Size
10.7MB
Filename
Name
Version
2.8.8.3
OS support
Windows 9x
Arch
x86
Size
10.5MB
Filename
Name
Version
3.0.2.1
OS support
Windows 9x
Arch
x86
Size
2.1MB
Filename
Name
Version
2.0.7.0
OS support
Windows NT 4.0
Arch
x86
Size
2MB
Filename
Name
Version
3.20.1008
OS support
Windows 2000 Windows 9x Windows XP/2k3
Arch
Size
Empty
Filename
Name
Version
3.7B / 3.7D
OS support
MS-DOS NetWare Server 3 NetWare Server 4 OS/2 Warp 3.x Windows 3.1x Windows 9x Windows NT 3.5x
Arch
x86
Size
1.6MB
Filename
doc 3 board documents available
Release date
File
Logs
Release date
File
Logs
Release date
File
Logs
Release date
File
Logs

Disclaimer

The info found in this page might not be entirely correct. Check out this guide to learn how you can improve it.