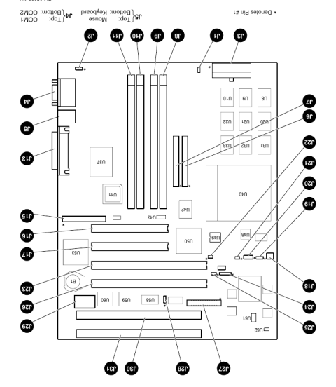
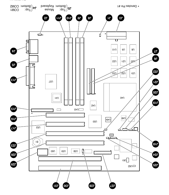
DEC AlphaPC 164LX
Logs
chipChipset
cpuSocket
speedFSB speeds
466MHz533MHz600MHz
moboForm factor
ATX (max 305 x 244 mm)
dimDimensions
304.8 x 243.8 mm
chipCache
1MB2MB4MB
ramMax RAM size
512MB
ramRAM types
SDR UDIMMSDR UDIMM ECC
pwrPSU connector
connI/O ports
1x 
Floppy interface
2x 
IDE interface
1x 
PS/2 keyboard
1x 
PS/2 mouse
1x 
Parallel
2x 
Serial
cardExpansion slots
2x 
16-bit ISA
2x 
32-bit PCI
2x 
64-bit PCI
wrench No board specific known issues
Last updated 2024-11-15T18:41:12Z
Board info score is 7.9/10
bios 0 BIOS files available
drv No drivers available

Disclaimer

The info found in this page might not be entirely correct. Check out this guide to learn how you can improve it.