Darter SBC-6742S
66MHz100MHz133MHz
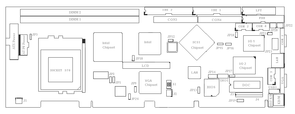
Single Board Computer
338mm x 122mm
2MB
None/Integrated in the CPU
1GB
SDR UDIMM
- Darter SBC-6742F (no SCSI)
1x
Disk-on-Chip Socket
1x
Floppy interface
1x
GPIO
2x
IDE interface
2x
Internal SCSI
1x
IrDA
1x
PS/2 KB+MS Combo
1x
Parallel
1x
RJ-45 LAN
2x
Serial
2x
USB 1.x
1x
VGA
1x
PICMG 1.0 (PCI/ISA)
Last updated 2024-03-20T20:36:30Z
Board info score is 7.2/10
-> Chipset part
-> Network
-> SCSI ctrl.
-> Sensing / Monitoring
-> Super I/O
-> Video
Name
Version
OS support
Arch
Size
Filename
Name
Version
1.3.2
OS support
Arch
x86
Size
1019.2KB
Filename
Name
Version
2.2.7
OS support
Arch
x86
Size
1.1MB
Filename
Name
Version
3.06
OS support
Arch
x86
Size
148.7KB
Filename
Name
Version
4.05
OS support
Arch
x86
Size
251.3KB
Filename
Name
Version
N/A
OS support
Arch
x86
Size
1.7MB
Filename
Name
Version
1.29
OS support
Arch
x86
Size
158.5KB
Filename
Name
Version
1.14
OS support
Arch
x86
Size
41.4KB
Filename
Name
Version
1.29
OS support
Arch
x86
Size
304KB
Filename
Name
Version
3.20.1008
OS support
Arch
Size
Empty
Filename
Name
Version
5.31.0.0
OS support
Arch
Size
60MB
Filename
Name
Version
6.2
OS support
Arch
x86
Size
64.3MB
Filename
Name
Version
2003
OS support
Arch
x86
Size
554.8KB
Filename
Name
Version
2003
OS support
Arch
x86
Size
12.3MB
Filename
Name
Version
2003
OS support
Arch
x86
Size
1.4MB
Filename
Name
Version
2003
OS support
Arch
x86
Size
8.7MB
Filename
Name
Version
2003
OS support
Arch
x86
Size
1.5MB
Filename
Name
Version
2003
OS support
Arch
x86
Size
8.9MB
Filename
Name
Version
2003
OS support
Arch
x86
Size
7.6MB
Filename
Name
Version
11.1
OS support
Arch
x86
, x86-64
Size
36.4MB
Filename
Name
Version
3.7B / 3.7D
OS support
Arch
x86
Size
1.6MB
Filename
Version
OS support
Arch
Size
Filename
Version
OS support
Arch
x86
Size
2.2MB
Filename
Version
OS support
Arch
Size
Filename
Version
OS support
Arch
Size
Filename
Release date
File
Logs
Chip
Release date
File
Logs
Chip
Release date
File
Logs
Family
Release date
File
Logs
Family
Release date
2002-02
File
Logs
Family
Release date
2000-02
File
Logs
Family
Release date
2001-06
File
Logs
Socket
Release date
File
Logs
Socket
Release date
1997-05
File
Logs
Disclaimer
The info found in this page might not be entirely correct. Check out this guide to learn how you can improve it.