Compaq Deskpro i Family 4/25is (Rev 3) (P/N 003047)
Logs
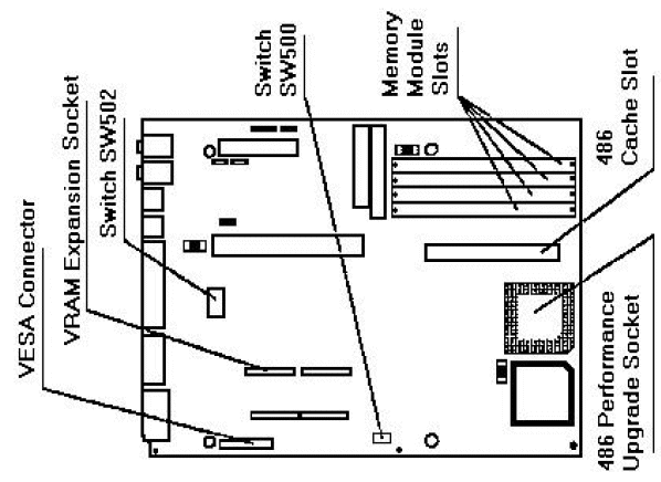
chipChipset
cpuSockets
speedFSB speeds
25MHz33MHz
moboForm factor
OEM / Proprietary
dimDimensions
Empty
ramMax VRAM size
1MB
chipCache
0B64KB
ramMax RAM size
32MB
ramRAM type
72-pin FPM
pwrPSU connector
tag Also known as
  • Compaq Deskpro i Family 4/33i (Rev 3) (P/N 003050)
  • Compaq Deskpro i Family 4/66i (Rev 3) (P/N 003053)
connI/O ports
1x 
Floppy interface
1x 
PS/2 keyboard
1x 
PS/2 mouse
1x 
Parallel
2x 
Serial
cardExpansion slots
3x 
16-bit ISA
notes Notes

3/xx models are 386, 4/xx models are 486. The 4/25is is a SX CPU, the rest are DX.

Rev 2 system board uses 64K cache p/n 002754 (spare 141477-001).

Original source, further details and switch settings: http://66.113.161.23/~mR_Slug/deviceInfo/compaq/compaq_qrg/volume1/dpi.html

Last updated 2025-04-11T06:08:24Z
Board info score is 8/10
bios 0 BIOS files available
drv No drivers available
doc 1 board document available
Release date
File
Logs
Release date
File
Logs

Disclaimer

The info found in this page might not be entirely correct. Check out this guide to learn how you can improve it.