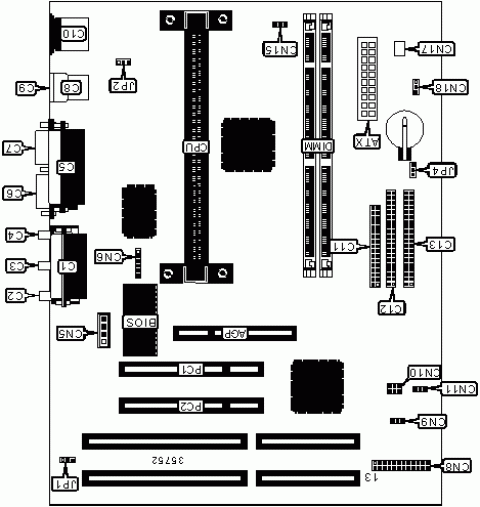
Chaintech CT-6ESA
Logs
chipChipset
cpuSocket
speedFSB speed
66MHz
moboForm factor
microATX (max 244 x 244 mm)
dimDimensions
244mm x 220mm
chipCache
None/Integrated in the CPU
ramMax RAM size
256MB
ramRAM type
SDR UDIMM
pwrPSU connector
tag Also known as
connI/O ports
1x 
3.5mm Audio Combo
1x 
Floppy interface
1x 
Gameport
2x 
IDE interface
1x 
PS/2 keyboard
1x 
PS/2 mouse
1x 
Parallel
2x 
Serial
2x 
USB 1.x
cardExpansion slots
2x 
16-bit ISA
1x 
3.3V AGP
2x 
32-bit PCI
Last updated 2025-07-25T09:55:43Z
Board info score is 9.8/10
bios 6 BIOS files available

vendor Award - 6 entries

POST string
Note
Core Ver.
BIOS Ver.
Logs
POST string
11/05/98-i440EX-8671-2A69JC39C-00
Note
Core version
4.51PG
BIOS version
Logs
POST string
06/21/99-i440EX-8671-2A69JC39C-00
Note
Core version
4.51PG
BIOS version
Logs
POST string
06/09/1998-i440EX-8661-2A69JC39C-00
Note
Core version
4.51PG
BIOS version
Logs
POST string
05/06/98-i440EX-8671-2A69JC39C-00
Note
Core version
4.51PG
BIOS version
Logs
POST string
04/23/98-i440EX-8671-2A69JC39C-00
Note
Core version
4.51PG
BIOS version
Logs
POST string
01/27/99-i440EX-8671-2A69JC39C-00
Note
Core version
4.51PG
BIOS version
Logs
drv 22 drivers available
Name
Version
OS support
Arch
Size
Filename
Name
Version
V4.12.01.1165
OS support
Windows 9x
Arch
Size
1MB
Filename
Name
Version
4.05.1031
OS support
Windows 9x
Arch
x86
Size
1007.7KB
Filename
Name
Version
N/A
OS support
MS-DOS
Arch
x86
Size
111.9KB
Filename
Name
Version
5.0.212
OS support
Empty
Arch
x86
Size
1.4MB
Filename
Name
Version
6.12.10.3055
OS support
Windows 2000 Windows XP/2k3
Arch
x86
Size
53KB
Filename
Name
Version
4.17.24
OS support
Windows 3.1x
Arch
x86
Size
215.4KB
Filename
Name
Version
3.20.1008
OS support
Windows 2000 Windows 9x Windows XP/2k3
Arch
Size
Empty
Filename
Name
Version
3.7B / 3.7D
OS support
MS-DOS NetWare Server 3 NetWare Server 4 OS/2 Warp 3.x Windows 3.1x Windows 9x Windows NT 3.5x
Arch
x86
Size
1.6MB
Filename
doc 2 board documents available
Release date
File
Logs
Release date
File
Logs
Release date
File
Logs

Disclaimer

The info found in this page might not be entirely correct. Check out this guide to learn how you can improve it.