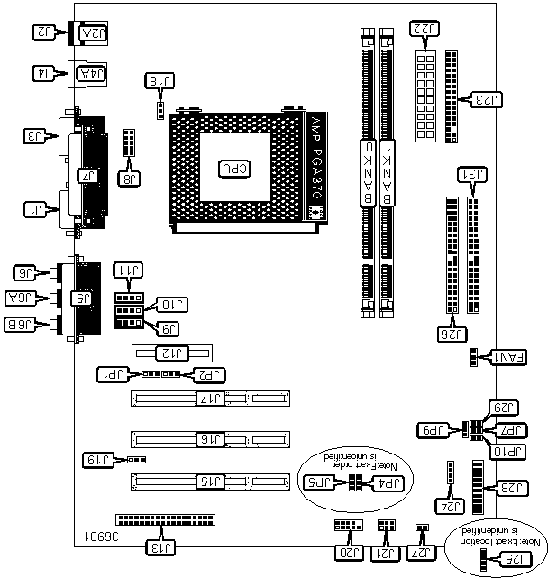
BCM IN810
Logs
chipChipset
cpuSocket
speedFSB speed
66MHz
moboForm factor
microATX (max 244 x 244 mm)
dimDimensions
220mm x 245mm
ramMax VRAM size
11MB
chipCache
None/Integrated in the CPU
ramMax RAM size
512MB
ramRAM type
SDR UDIMM
pwrPSU connector
tag Also known as
connI/O ports
1x 
Floppy interface
2x 
IDE interface
1x 
PS/2 keyboard
1x 
PS/2 mouse
1x 
Parallel
2x 
Serial
2x 
USB 1.x
cardExpansion slots
3x 
32-bit PCI
1x 
AMR
notes Notes

DR742 and DL742 use the same bios. They have been used in several Toshiba PCs, Compaq PCs and Micron PCs.

Some revisions have AD1881 codec instead of AU8810 chip.

Last updated 2025-08-27T18:07:20Z
Board info score is 9.4/10
bios 4 BIOS files available

vendor AMI - 5 entries

POST string
Note
Core Ver.
BIOS Ver.
Logs
POST string
63-0131-001259-00101111-071595-WHITNEY-1AABX131
Note
Core version
071595
BIOS version
Logs
POST string
63-0127-001259-00101111-071595-WHITNEY-1WHITNEY
Note
Core version
071595
BIOS version
Logs
POST string
63-0111-001259-00101111-071595-WHITNEY-1WHITNEY
Note
Core version
071595
BIOS version
Logs
POST string
63-0111-001259-00101111-071595-WHITNEY-1WHITNEY
Note
Core version
071595
BIOS version
Logs
POST string
63-0116-001259-00101111-071595-WHITNEY-1WHITNEY
Note
Core version
071595
BIOS version
Logs
drv 14 drivers available
Name
Version
OS support
Arch
Size
Filename
Name
Version
4.02.0017
OS support
Windows NT 4.0
Arch
x86
Size
5.5MB
Filename
Name
Version
4.10.2225
OS support
Windows 9x
Arch
x86
Size
4.6MB
Filename
Name
Version
5.00.2238
OS support
Windows 2000 Windows 9x
Arch
x86
Size
3MB
Filename
Name
Version
3.23.03
OS support
Windows NT 4.0
Arch
x86
Size
5.2MB
Filename
Name
Version
4.06.3220
OS support
Windows 9x
Arch
x86
Size
35.1MB
Filename
Name
Version
4.1
OS support
Windows 2000 Windows NT 4.0 Windows XP/2k3
Arch
x86
Size
4.2MB
Filename
doc 3 board documents available
Release date
File
Logs
Release date
File
Logs
Release date
File
Logs
Release date
2000-03-22
File
Logs

Disclaimer

The info found in this page might not be entirely correct. Check out this guide to learn how you can improve it.