BCM IN530
66MHz75MHz83MHz95MHz97MHz100MHz
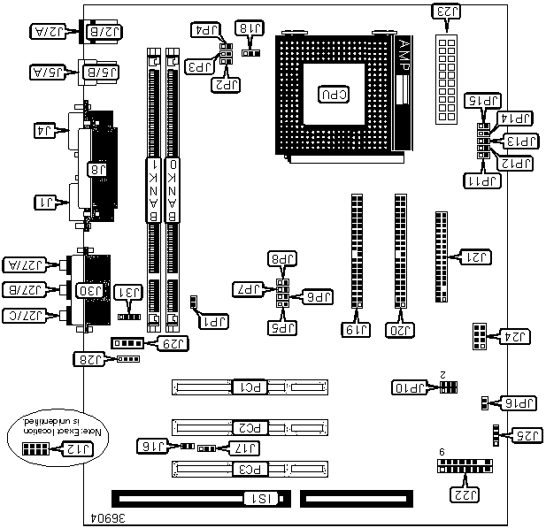
microATX (max 244 x 244 mm)
244 mm x 206 mm
8MB
- GVC FR520
- Packard Bell Miami
- NEC Valuestar U VU47L
- Packard Bell PB980
1x
3.5mm Audio Combo
1x
Floppy interface
1x
Gameport
2x
IDE interface
1x
PS/2 keyboard
1x
PS/2 mouse
1x
Parallel
2x
Serial
2x
USB 1.x
1x
VGA
1x
16-bit ISA
3x
32-bit PCI
Last updated 2025-10-05T19:39:55Z
Board info score is 9.6/10
AMI - 10 entries
POST string
Note
Core Ver.
BIOS Ver.
Logs
POST string
52-0724-001259-00101111-071595-SIS530-001_01_SIS530
Note
PB/NEC OEM FR520
Core version
071595
BIOS version
Logs
POST string
52-0724-001259-00101111-071595-SIS530
Note
Latest BIOS
Core version
071595
BIOS version
Logs
POST string
52-0724-001259-00101111-071595-SIS530-001_01_SIS530
Note
PB OEM
Core version
071595
BIOS version
Logs
POST string
52-0724-001259-00101111-071595-SIS530-001_01_SIS530
Note
PB OEM
Core version
071595
BIOS version
Logs
Name
Version
OS support
Arch
Size
Filename
Name
Version
V4.12.01.1165
OS support
Arch
Size
1MB
Filename
Name
Version
4.05.1031
OS support
Arch
x86
Size
1007.7KB
Filename
Name
Version
N/A
OS support
Arch
x86
Size
111.9KB
Filename
Name
Version
5.0.212
OS support
Empty
Arch
x86
Size
1.4MB
Filename
Name
Version
6.12.10.3055
OS support
Arch
x86
Size
53KB
Filename
Name
Version
4.17.24
OS support
Arch
x86
Size
215.4KB
Filename
Name
Version
1.08
OS support
Arch
Size
Empty
Filename
Name
Version
1.02
OS support
Arch
x86
Size
381KB
Filename
Name
Version
2.04A
OS support
Arch
Size
Empty
Filename
Name
Version
1.02
OS support
Arch
Size
Empty
Filename
Name
Version
1.4
OS support
Arch
Size
923.7KB
Filename
Version
OS support
Arch
Size
Filename
Version
OS support
Arch
Size
Filename
Release date
File
Logs
Chip
Release date
File
Logs
Family
Release date
File
Logs
Family
Release date
1999-12
File
Logs
Family
Release date
2000-04
File
Logs
Family
Release date
2000-11
File
Logs
Family
Release date
1998-01
File
Logs
Disclaimer
The info found in this page might not be entirely correct. Check out this guide to learn how you can improve it.