AXIOM Tech / AXIOMTEK SBC8156VES
60MHz66MHz
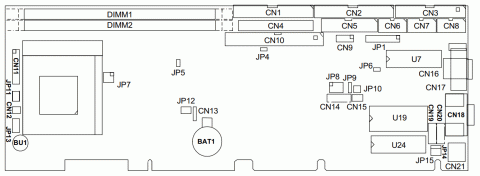
Single Board Computer
338 mm x 122 mm
2MB
512KB
256MB
SDR UDIMM
Empty
- AXIOM Tech / AXIOMTEK SBC8156VE (no SCSI)
- AXIOM Tech / AXIOMTEK SBC8156V (no LAN, no SCSI)
- AXIOM Tech / AXIOMTEK SBC8156 (no VGA,no LAN, no SCSI)
1x
Disk-on-Chip Socket
1x
Floppy interface
1x
GPIO
2x
IDE interface
2x
Internal SCSI
1x
IrDA
1x
PS/2 mouse
1x
Parallel
1x
RJ-45 LAN
2x
Serial
2x
USB 1.x
1x
VGA
1x
PICMG 1.0 (PCI/ISA)
Last updated 2025-06-06T21:26:05Z
Board info score is 7.4/10
-> Chipset part
-> Network
-> SCSI ctrl.
-> Super I/O
-> Video
Name
Version
OS support
Arch
Size
Filename
Name
Version
2.10
OS support
Arch
x86
Size
88.9KB
Filename
Name
Version
3.03
OS support
Arch
Size
526.5KB
Filename
Name
Version
1.13x
OS support
Arch
x86
Size
78.1KB
Filename
Name
Version
1.41
OS support
Arch
x86
Size
361.8KB
Filename
Name
Version
1.31a
OS support
Arch
x86
Size
65KB
Filename
Name
Version
1.41
OS support
Arch
x86
Size
194.6KB
Filename
Name
Version
3.00
OS support
Arch
x86
Size
1.2MB
Filename
Name
Version
5.719.0325.2009
OS support
Arch
x86
Size
39.5MB
Filename
Name
Version
V5.00
OS support
Arch
x86
, PPC
Size
3.3MB
Filename
Name
Version
3.7B / 3.7D
OS support
Arch
x86
Size
1.6MB
Filename
Version
OS support
Arch
Size
Filename
Version
OS support
Arch
x86
Size
2.2MB
Filename
Version
OS support
Arch
Size
Filename
Version
OS support
Arch
Size
Filename
Version
OS support
Arch
Size
Filename
Version
OS support
Arch
x86
Size
6.8MB
Filename
Version
OS support
Arch
x86
Size
7MB
Filename
Release date
File
Logs
Chip
Release date
File
Logs
Chip
Release date
File
Logs
Chip
Release date
File
Logs
Chip
Release date
File
Logs
Chip
Release date
File
Logs
Chip
Release date
File
Logs
Chip
Release date
File
Logs
Chip
Release date
File
Logs
Family
Release date
File
Logs
Family
Release date
1998-01
File
Logs
Disclaimer
The info found in this page might not be entirely correct. Check out this guide to learn how you can improve it.