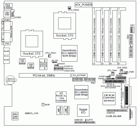
ASUS CUR-DLSR
Logs
chipChipset
cpuSocket
speedFSB speeds
100MHz133MHz
moboForm factor
Enhanced Extended ATX/EEATX (max 347 × 330 mm)
dimDimensions
305mm x 244mm
ramMax VRAM size
4MB
chipCache
None/Integrated in the CPU
ramMax RAM size
4GB
ramRAM type
SDR UDIMM
pwrPSU connector
maxcpuMulti CPU support
2 CPUs
connI/O ports
1x 
Floppy interface
2x 
IDE interface
2x 
Internal SCSI
1x 
PS/2 keyboard
1x 
PS/2 mouse
1x 
Parallel
1x 
RJ-45 LAN
2x 
Serial
4x 
USB 1.x
1x 
VGA
cardExpansion slots
1x 
64-bit PCI
notes Notes

LSI 896F SCSI Intel 82557 LAN ASMC (Asus Server Management Card) Slot

Last updated 2022-11-28T18:48:35Z
Board info score is 9.4/10
bios 4 BIOS files available

vendor Award - 4 entries

POST string
Note
Core Ver.
BIOS Ver.
Logs
POST string
05/06/2002-RCC-CUR-DLSR
Note
beta
Core version
Asus v6.0
BIOS version
Logs
POST string
07/02/2001-RCC-CUR-DLSR
Note
Core version
Asus v6.0
BIOS version
Logs
POST string
01/31/2001-RCC-CUR-DLSR
Note
Core version
Asus v6.0
BIOS version
Logs
POST string
12/11/2000-RCC-CUR-DLSR
Note
Core version
Asus v6.0
BIOS version
Logs
drv 6 drivers available
Name
Version
OS support
Arch
Size
Filename
Name
Version
4.13.1.2655
OS support
Windows 9x
Arch
Size
10.4MB
Filename
Name
Version
5.00.2195.4030
OS support
Windows 2000
Arch
x86
Size
5.9MB
Filename
Name
Version
4.12.2647
OS support
Windows 9x
Arch
x86
Size
8.5MB
Filename
Name
Version
5.10.2600.6009
OS support
Windows XP/2k3
Arch
Size
7.8MB
Filename
doc 1 board document available
Release date
File
Logs
Release date
File
Logs

Disclaimer

The info found in this page might not be entirely correct. Check out this guide to learn how you can improve it.