ASRock X38TurboTwins
Logs
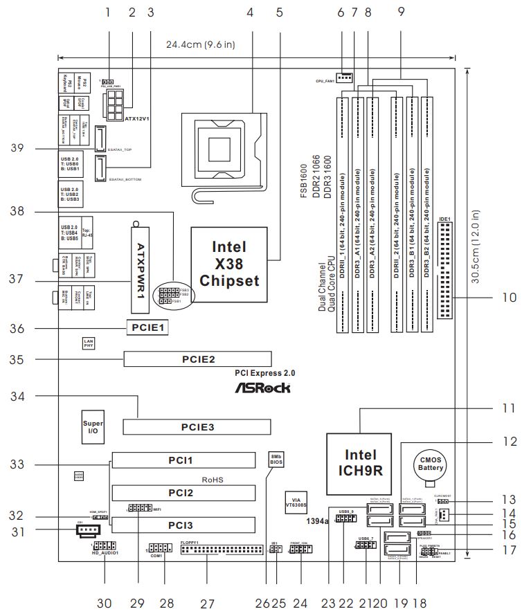
chipChipset
cpuSocket
speedFSB speeds
800MHz1066MHz1333MHz1600MHz
moboForm factor
ATX (max 305 x 244 mm)
dimDimensions
305mm x 244mm
chipCache
None/Integrated in the CPU
ramMax RAM size
8GB(DDR3)4GB(DDR2)
ramRAM types
DDR3 UDIMMDDR2 UDIMM
pwrPSU connector
tag Also known as
connI/O ports
1x 
3.5mm Audio Combo
2x 
FireWire 400
1x 
Floppy interface
1x 
IDE interface
1x 
IrDA
1x 
PS/2 keyboard
1x 
PS/2 mouse
1x 
RJ-45 LAN
1x 
S/PDIF
6x 
SATA II
1x 
Serial
1x 
Toslink
10x 
USB 2.0
4x 
eSATA II
cardExpansion slots
3x 
32-bit PCI
1x 
PCIe x1
2x 
PCIe x16
notes Notes

Two internal eSATA II ports are shared with 2 SATA II connectors

Last updated 2025-08-11T08:21:14Z
Board info score is 9.6/10
bios 3 BIOS files available

vendor AMI - 3 entries

POST string
Note
Core Ver.
BIOS Ver.
Logs
POST string
64-101-0000010-00101111-020509-INTEL-AS138101
Note
X38TurboTwins
Core version
080015
BIOS version
Logs
POST string
64-010-0000010-00101111-062308-INTEL-AS138010
Note
X38TurboTwins
Core version
080015
BIOS version
Logs
POST string
64-010-0000010-00101111-062308-INTEL-AS139010
Note
X38TurboTwins-WiFi
Core version
080015
BIOS version
Logs
drv 1 driver available
Name
Version
OS support
Arch
Size
Filename
Name
Version
9.2.0.1030
OS support
Windows 2000 Windows XP/2k3
Arch
Size
Empty
Filename
doc 2 board documents available
Release date
File
Logs
Release date
File
Logs
Release date
File
Logs

Disclaimer

The info found in this page might not be entirely correct. Check out this guide to learn how you can improve it.