Logs
chipChipset
cpuSockets
speedFSB speed
20MHz
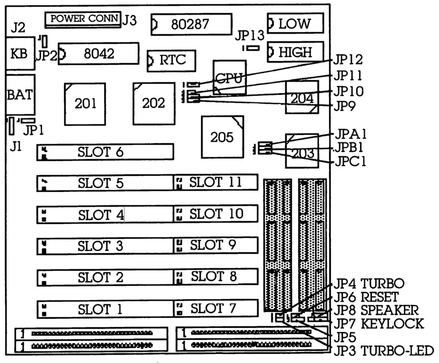
moboForm factor
Baby AT (max 220 x 330 mm)
dimDimensions
Empty
chipCache
None/Integrated in the CPU
ramMax RAM size
4MB
ramRAM type
30-pin SIMM
pwrPSU connector
Empty
connI/O ports
1x 
AT Keyboard
cardExpansion slots
5x 
16-bit ISA
1x 
8-bit ISA
wrench Known issues
  • Leaky Ni-Cd clock battery

The Ni-Cd battery may be leaking, risking damage to PCB layers & nearby components. Promptly remove the battery & clean corrosion/alkaline salts from the board. Use white vinegar to dissolve salts, but exercise caution as vinegar can corrode exposed metals. A thorough examination & repair may be needed. Replace battery with guide: https://github.com/wiretap-retro/Not-A-Varta

Last updated 2025-01-03T19:32:44Z
Board info score is 6.8/10
bios 0 BIOS files available
drv No drivers available
doc 1 board document available
Release date
File
Logs
Release date
File
Logs

Disclaimer

The info found in this page might not be entirely correct. Check out this guide to learn how you can improve it.