AOpen MX3W
Logs
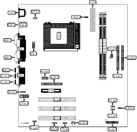
chipChipset
cpuSocket
speedFSB speeds
66MHz100MHz
moboForm factor
microATX (max 244 x 244 mm)
dimDimensions
Empty
ramMax VRAM size
11MB
chipCache
None/Integrated in the CPU
ramMax RAM size
512MB
ramRAM type
SDR UDIMM
pwrPSU connector
connI/O ports
1x 
Floppy interface
1x 
Gameport
2x 
IDE interface
1x 
PS/2 keyboard
1x 
PS/2 mouse
1x 
Parallel
2x 
Serial
2x 
USB 1.x
1x 
VGA
cardExpansion slots
3x 
32-bit PCI
1x 
AMR
Last updated 2022-07-11T15:34:11Z
Board info score is 9.3/10
bios 12 BIOS files available

vendor Award - 12 entries

POST string
Note
Core Ver.
BIOS Ver.
Logs
POST string
06/21/2000-i810-W83627HF-6A69MAB9C-00
Note
Core version
6.00PG
BIOS version
Logs
POST string
04/18/2000-i810-W83627HF-6A69MAB9C-00
Note
Core version
6.00PG
BIOS version
Logs
POST string
03/30/2000-i810-W83627HF-6A69MAB9C-00
Note
Core version
6.00PG
BIOS version
Logs
POST string
03/07/2000-i810-W83627HF-6A69MAB9C-00
Note
Core version
6.00PG
BIOS version
Logs
POST string
02/03/2000-i810-W83627HF-6A69MAB9C-00
Note
Core version
6.00PG
BIOS version
Logs
POST string
10/25/1999-i810-W83627HF-6A69MAB9C-00
Note
Core version
6.00PG
BIOS version
Logs
POST string
10/11/1999-i810-W83627HF-6A69MAB9C-00
Note
Core version
6.00PG
BIOS version
Logs
POST string
09/15/1999-i810-W83627HF-6A69MAB9C-00
Note
Core version
6.00PG
BIOS version
Logs
POST string
08/26/1999-i810-W83627HF-6A69MAB9C-00
Note
Core version
6.00PG
BIOS version
Logs
POST string
08/02/1999-i810-W83627HF-6A69MAB9C-00
Note
Core version
6.00PG
BIOS version
Logs
POST string
06/28/1999-i810-W83627HF-6A69MAB9C-00
Note
Core version
6.00PG
BIOS version
Logs
POST string
05/11/1999-i810-W83627HF-6A69MAB9C-00
Note
Core version
6.00PG
BIOS version
Logs
drv 12 drivers available
Name
Version
OS support
Arch
Size
Filename
Name
Version
4.02.0017
OS support
Windows NT 4.0
Arch
x86
Size
5.5MB
Filename
Name
Version
4.10.2225
OS support
Windows 9x
Arch
x86
Size
4.6MB
Filename
Name
Version
5.00.2238
OS support
Windows 2000 Windows 9x
Arch
x86
Size
3MB
Filename
Name
Version
4.1
OS support
Windows 2000 Windows NT 4.0 Windows XP/2k3
Arch
x86
Size
4.2MB
Filename
doc 2 board documents available
Release date
File
Logs
Release date
File
Logs
Release date
File
Logs

Disclaimer

The info found in this page might not be entirely correct. Check out this guide to learn how you can improve it.