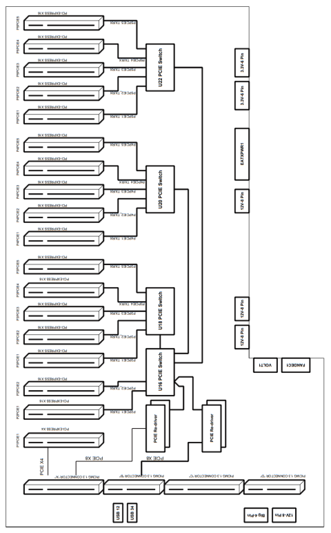
Advantech PCE-5B19 Backplane
Logs
chipChipset
Empty
cpuSocket
Empty
speedFSB speed
Empty
moboForm factor
OEM / Proprietary
dimDimensions
417mm x 328mm
chipCache
None/Integrated in the CPU
ramMax RAM size
Empty
ramRAM type
Empty
pwrPSU connector
tag Also known as
connI/O ports
4x 
USB 2.0
cardExpansion slots
17x 
PCIe x16
1x 
PCIe x16 @ x4
1x 
PICMG 1.3 (SHB Express) Full-size
Last updated 2025-05-28T15:00:28Z
Board info score is 4.4/10
chip Chips
cpufam CPU family support
Empty
bios 0 BIOS files available
drv No drivers available
doc 2 board documents available
Release date
File
Logs
Release date
File
Logs
Release date
File
Logs

Disclaimer

The info found in this page might not be entirely correct. Check out this guide to learn how you can improve it.