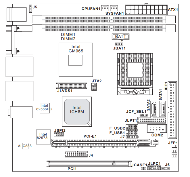
ADLink MI-965
Logs
chipChipset
cpuSocket
speedFSB speeds
533MHz800MHz
moboForm factor
Mini ITX (max 170 x 170 mm)
dimDimensions
170mm x 170mm
chipCache
None/Integrated in the CPU
ramMax RAM size
4GB
ramRAM type
DDR2 UDIMM
pwrPSU connector
connI/O ports
1x 
CF Card Slot
1x 
IDE interface
1x 
PS/2 keyboard
1x 
PS/2 mouse
1x 
Parallel
2x 
RJ-45 LAN
2x 
SATA II
2x 
Serial
8x 
USB 2.0
1x 
VGA
cardExpansion slots
1x 
32-bit PCI
1x 
PCIe x16
notes Notes

Intel 82573L & 82566DC Gigabit Ethernet controllers

Last updated 2025-05-29T15:00:38Z
Board info score is 9.1/10
bios 3 BIOS files available

vendor AMI - 3 entries

POST string
Note
Core Ver.
BIOS Ver.
Logs
POST string
64-0100-000001-00101111-050809-Crestline-A9803209
Note
Core version
080015
BIOS version
Logs
POST string
64-0100-000001-00101111-021109-Crestline-A9803201
Note
Core version
080015
BIOS version
Logs
POST string
64-0100-000001-00101111-030508-Crestline-A9803103
Note
Core version
080015
BIOS version
Logs
drv 2 drivers available
Name
Version
OS support
Arch
Size
Filename
Name
Version
9.1.2.1007
OS support
Windows 2000 Windows 7 Windows Vista Windows XP/2k3
Arch
Size
2.4MB
Filename
Name
Version
R2.74
OS support
Windows 2000 Windows 7 Windows Vista Windows XP/2k3
Arch
Size
30.7MB
Filename

Disclaimer

The info found in this page might not be entirely correct. Check out this guide to learn how you can improve it.