Acer M3B
Empty
50MHz60MHz66MHz
OEM / Proprietary
Empty
None/Integrated in the CPU
Empty
Empty
- Acer Altos 300W
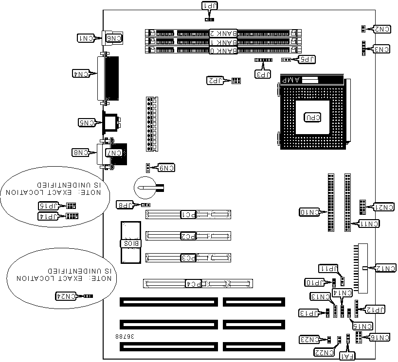
1x
AT Keyboard
1x
Floppy interface
2x
IDE interface
1x
PS/2 mouse
1x
Parallel
2x
Serial
2x
USB 1.x
3x
16-bit ISA
4x
32-bit PCI
Last updated 2023-02-08T20:33:42Z
Board info score is 5.9/10
Release date
File
Logs
Disclaimer
The info found in this page might not be entirely correct. Check out this guide to learn how you can improve it.