Acer A1GX-2
Logs
chipChipset
cpuSocket
speedFSB speeds
25MHz33MHz50MHz
moboForm factor
LPX (max 229 x 330 mm)
dimDimensions
285mm x 220mm
ramMax VRAM size
2MB
chipCache
None/Integrated in the CPU
ramMax RAM size
36MB
ramRAM type
72-pin FPM
pwrPSU connector
tag Also known as
connI/O ports
1x 
AT Keyboard
1x 
Floppy interface
2x 
IDE interface
1x 
PS/2 mouse
1x 
Parallel
2x 
Serial
1x 
VGA
cardExpansion slots
Empty
wrench Known issues
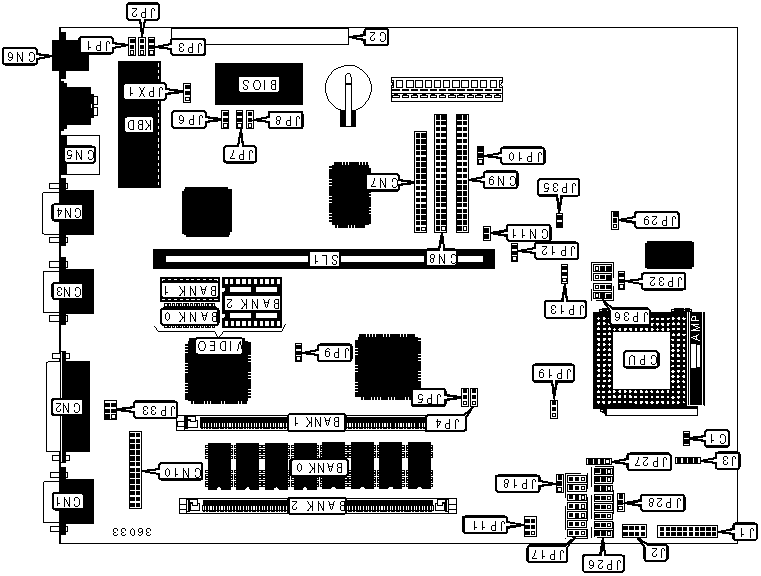
  • Expansion slots are on proprietary riser

The listed slots are on the riser card that came with the motherboard.
If you have this board make sure you have the riser for it.

Last updated 2025-06-24T19:59:42Z
Board info score is 6.7/10
chip Chips
-> Chipset part -> Video
cpufam CPU family support
bios 0 BIOS files available
drv 4 drivers available
Name
Version
OS support
Arch
Size
Filename
Name
Version
1.43
OS support
MS-DOS Windows 3.1x
Arch
x86
Size
741.9KB
Filename
Name
Version
3.50
OS support
Windows NT 3.1 Windows NT 3.5x
Arch
x86
Size
140KB
Filename
doc 1 board document available
Release date
File
Logs
Release date
File
Logs

Disclaimer

The info found in this page might not be entirely correct. Check out this guide to learn how you can improve it.