AAEON Technology PCM-4898
Logs
chipChipset
cpuSocket
speedFSB speed
Empty
moboForm factor
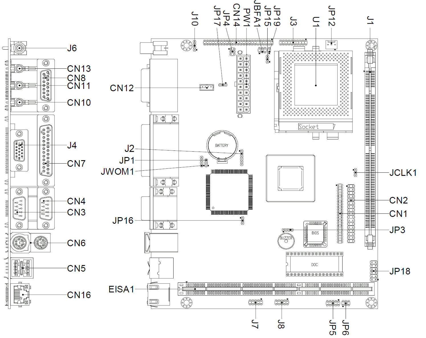
EBX/Little Board/Biscuit SBC 5.25" (max 203 x 146 mm)
dimDimensions
Empty
chipCache
None/Integrated in the CPU
ramMax RAM size
256MB
ramRAM type
144-pin SDR SO-DIMM
pwrPSU connector
connI/O ports
1x 
CF Card Slot
1x 
IDE interface
1x 
IrDA
1x 
LVDS
1x 
PS/2 KB+MS Combo
1x 
Parallel
1x 
RJ-45 LAN
2x 
Serial
2x 
USB 1.x
1x 
VGA
cardExpansion slots
1x 
32-bit PCI
notes Notes

On-board NS Geode GXLV233, Capable to support NS Geode GXm, GXLV, and GX1

Last updated 2025-07-25T13:36:56Z
Board info score is 7.6/10
bios 4 BIOS files available

vendor Award - 4 entries

POST string
Note
Core Ver.
BIOS Ver.
Logs
POST string
10/02/2001-GXm-Cx5530-2A434AKBC-00
Note
Core version
4.51PG
BIOS version
Logs
POST string
12/12/2000-GXm-Cx5530-2A434AKBC-00
Note
Core version
4.51PG
BIOS version
Logs
POST string
09/25/2000-GXm-Cx5530-2A434AK9C-00
Note
Core version
4.51PG
BIOS version
Logs
POST string
07/31/2000-GXm-Cx5530-2A434AC9C-00
Note
Core version
4.51PG
BIOS version
Logs
drv 9 drivers available
Name
Version
OS support
Arch
Size
Filename
Name
Version
6.2
OS support
Linux MS-DOS NetWare Server 3 NetWare Server 4 Netware Client32 OS/2 2.x Windows 2000 Windows 9x Windows NT 4.0
Arch
x86
Size
64.3MB
Filename
Name
Version
2003
OS support
MS-DOS OS/2 2.x
Arch
x86
Size
554.8KB
Filename
Name
Version
2003
OS support
Windows 2000
Arch
x86
Size
12.3MB
Filename
Name
Version
2003
OS support
Windows 9x
Arch
x86
Size
1.4MB
Filename
Name
Version
2003
OS support
Windows 9x
Arch
x86
Size
8.7MB
Filename
Name
Version
2003
OS support
Windows 9x
Arch
x86
Size
1.5MB
Filename
Name
Version
2003
OS support
Windows 9x
Arch
x86
Size
8.9MB
Filename
Name
Version
2003
OS support
Windows NT 4.0
Arch
x86
Size
7.6MB
Filename
Name
Version
11.1
OS support
MS-DOS Windows 2000 Windows 9x Windows XP/2k3
Arch
x86 , x86-64
Size
36.4MB
Filename
doc 1 board document available
Release date
File
Logs
Release date
File
Logs

Disclaimer

The info found in this page might not be entirely correct. Check out this guide to learn how you can improve it.