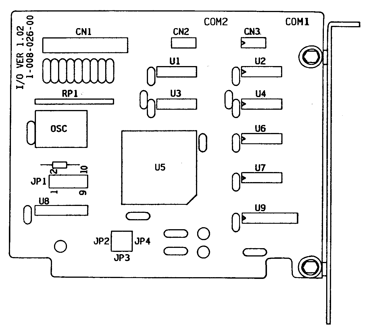
[Unknown] I/O VER 1.02
Logs
typeType
Multi I/O
interfaceInterface
signalSignaling
16-bit ISA
datePCI ID
Empty
tag Also known as
  • Unknown 1-008-026-00
portintI/O ports
1x 
  • DB-25
1x 
  • 2x5 2.54mm pin header
1x 
  • 2x5 2.54mm pin header
powerPower connectors
Empty
Last updated 2024-12-26T22:10:01Z
biosc No BIOS files available
drv No drivers available
doc 1 card document available
Release date
File
Logs
Release date
File
Logs

Disclaimer

The info found in this page might not be entirely correct. Check out this guide to learn how you can improve it.