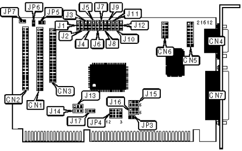
Pine Technology PT-606E
Floppy controller
Multi I/O
IDE controller
16-bit ISA
1
Empty
JPJIOPT606V
| MTL | |
|---|---|
| Data Bus | 16-bit ISA |
| Card Size | Half-length, full-height |
| Card Type | Controller card |
| I/O Options | Floppy drive interface, game port, IDE interface (2), parallel port, serial ports (2) |
| Hard Drives supported | Two IDE (AT) drives |
| Maximum Onboard Memory | Unidentified |
| Floppy drives supported | Two 360KB, 720KB, 1.2MB, or 1.44MB drives |
1x
- 2x17 2.54mm pin header
1x
- 2x8 2.54mm pin header
2x
- 2x20 2.54mm pin header
1x
- DB-25
1x
- DE-9
1x
- 2x5 2.54mm pin header
Empty
Last updated 2025-07-11T20:32:56Z
Release date
File
Logs
Disclaimer
The info found in this page might not be entirely correct. Check out this guide to learn how you can improve it.