Moxa CP-134EL-A-I
Logs
typeType
Serial controller
interfaceInterface
signalSignaling
PCIe 1.0
datePCI ID
Empty
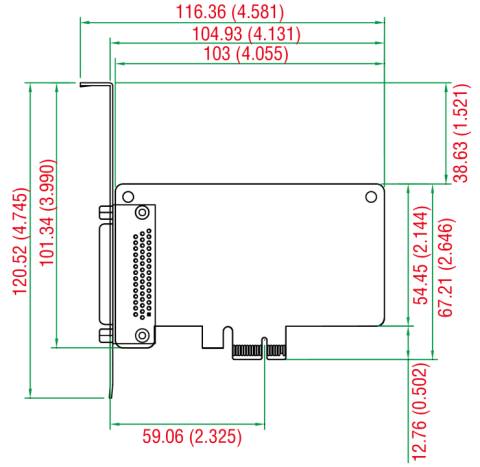
dimDimensions
55 mm (width) x 103mm (length)
chip Chips and specs
portintI/O ports
1x 
  • DB-44
powerPower connectors
Empty
Last updated 2025-11-14T09:58:09Z
biosc No BIOS files available
drv No drivers available
doc 1 card document available
Release date
File
Logs
Release date
File
Logs

Disclaimer

The info found in this page might not be entirely correct. Check out this guide to learn how you can improve it.