Domex (DTC) DMX-3092SL
Logs
typeType
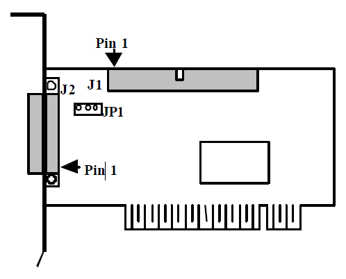
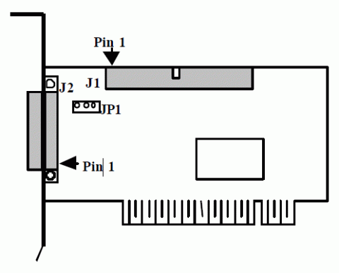
SCSI controller
interfaceInterface
signalSignaling
32-bit PCI
datePCI ID
Empty
chip Chips and specs
tag Also known as
portintI/O ports
1x 
  • 2x25 2.54mm pin header
1x 
  • DB-25
powerPower connectors
Empty
Last updated 2025-05-27T19:17:17Z
biosc No BIOS files available
drv No drivers available
doc 1 card document available
Release date
File
Logs
Release date
File
Logs

Disclaimer

The info found in this page might not be entirely correct. Check out this guide to learn how you can improve it.